Каталог запасных частей к технике: LiuGong CLG-842. 4644 131 419 00 FILLER NECK

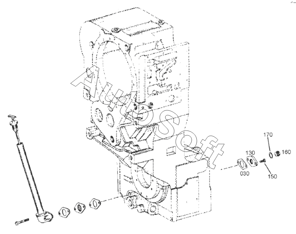
30
130
150
160
170
Позиция на иллюстрации | Заводской номер детали | Название детали | |
---|---|---|---|
30 | 4***6 | GASKET | |
130 | 4***6 | COVER PLATE | |
150 | 0***Н | HEXAGON SCREW | |
160 | 0***6 | SCREW PLUG | |
170 | 0***4 | SEALING RING |
Содержащиеся в справочниках-каталогах запасные части и детали не предлагаются к продаже, а носят исключительно информационный характер. В демо-версии артикулы (номера деталей) скрыты. Если вы хотите видеть полные оригинальные номера запчастей, вам необходимо зарегистрироваться на нашем сайте и приобрести подписку по интересующей вас конфигурации, после этого вы сможете встроить онлайн-каталоги на ваш сайт или пользоваться ими из личного кабинета нашего сайта. Обращаем ваше внимание на то, что каталоги содержат информацию об оригинальных заводских номерах и названиях запчастей. База по аналогам в данный момент не реализована. Поиска по VIN-номерам в онлайн-каталоге не предусмотрено. Выбор конкретного каталога осуществляется путем открытия нужного типа техники, марки, модели с учетом года выпуска или модификации.