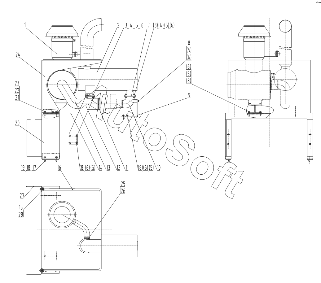
Каталог запасных частей к технике: LiuGong CLG-842. 00E0322 001 INTAKE AND EXHAUST SYSTEM

15
28
27
26
25
24
23
22
21
20
19
18
17
16
1
14
13
12
11
10
9
8
8
8
8
7
6
6
6
6
6
6
5
5
5
5
5
5
4
4
3
3
2
Позиция на иллюстрации | Заводской номер детали | Название детали | |
---|---|---|---|
1 | 4***8 | AIR FILER AS | |
2 | 5***2 | Глушитель | |
3 | 0***9 | Болт | |
4 | 0***3 | Гайка | |
5 | 0***1 | Шайба | |
6 | 0***2 | Шайба стопорная | |
7 | 8***2 | Шайба | |
8 | 0***2 | Болт | |
9 | 2***6 | Опора | |
10 | 0***1 | Соединитель | |
11 | 0***3 | Clamp | |
12 | 2***0 | PLATE | |
13 | 8***9 | HOSE | |
14 | 0***2 | BASE | |
15 | 0***6 | Шайба | |
16 | 3***0 | Прокладка | |
17 | 0***3 | Болт | |
18 | 0***9 | Шайба | |
19 | 0***3 | Шайба | |
20 | 4***4 | Опора | |
21 | 0***5 | Болт | |
22 | 0***7 | Шайба | |
23 | 0***8 | Шайба | |
24 | 0***1 | SEAT | |
25 | 1***5 | Хомут | |
26 | 3***3 | Рукав | |
27 | 3***4 | PLATE | |
28 | 0***7 | Болт |
Содержащиеся в справочниках-каталогах запасные части и детали не предлагаются к продаже, а носят исключительно информационный характер. В демо-версии артикулы (номера деталей) скрыты. Если вы хотите видеть полные оригинальные номера запчастей, вам необходимо зарегистрироваться на нашем сайте и приобрести подписку по интересующей вас конфигурации, после этого вы сможете встроить онлайн-каталоги на ваш сайт или пользоваться ими из личного кабинета нашего сайта. Обращаем ваше внимание на то, что каталоги содержат информацию об оригинальных заводских номерах и названиях запчастей. База по аналогам в данный момент не реализована. Поиска по VIN-номерам в онлайн-каталоге не предусмотрено. Выбор конкретного каталога осуществляется путем открытия нужного типа техники, марки, модели с учетом года выпуска или модификации.