Каталог запасных частей к технике: LiuGong CLG-842. 00E0035 003 RADIATOR AS

29
20
21
22
22
23
23
24
24
25
26
27
28
19
30
31
32
33
34
35
36
37
10
10
2
3
4
5
6
7
8
9
1
11
12
13
14
15
16
17
18
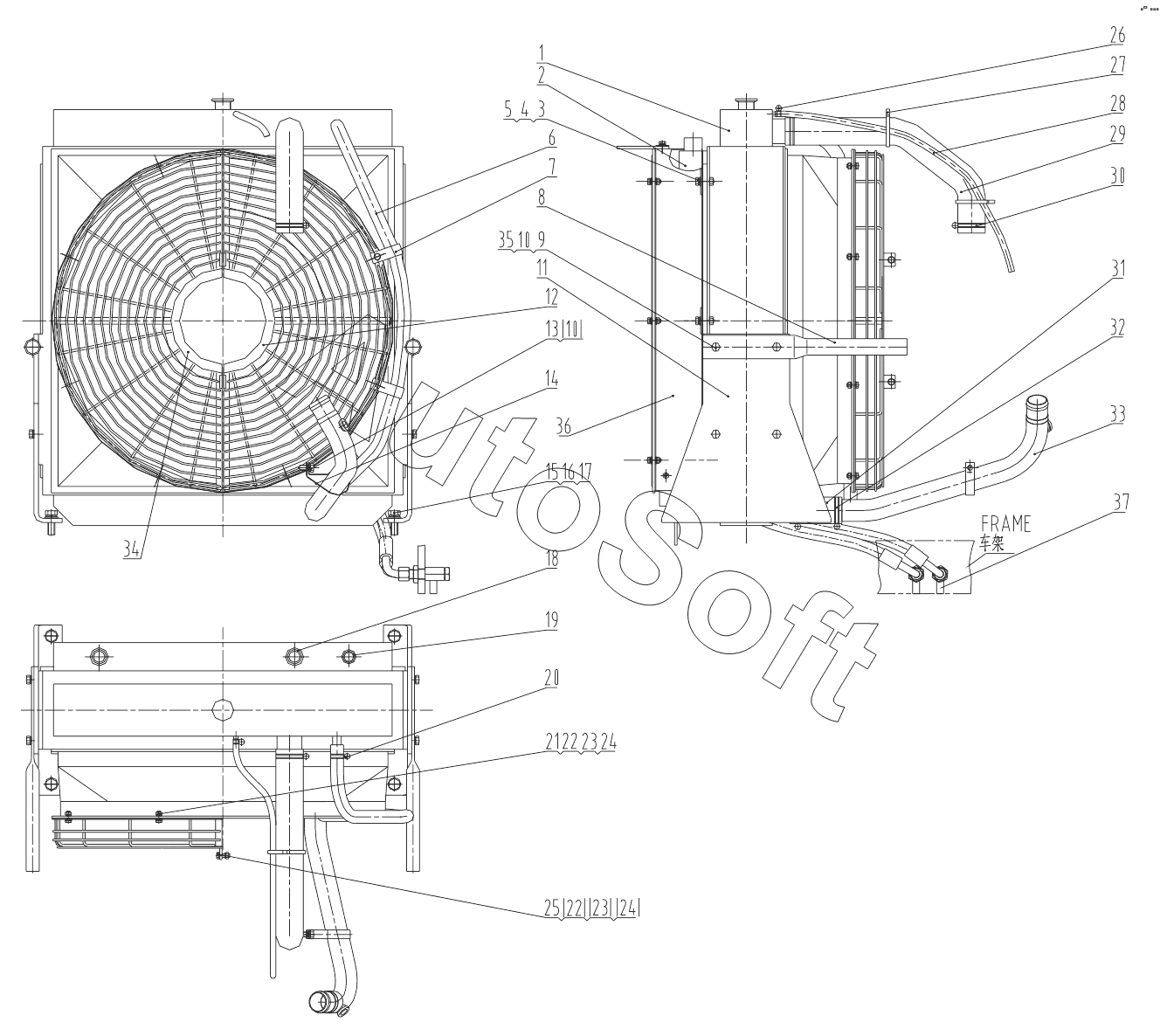
Позиция на иллюстрации | Заводской номер детали | Название детали | |
---|---|---|---|
1 | 2***2 | Радиатор водяной | |
2 | 2***3 | Радиатор масляный | |
3 | 0***2 | Болт | |
4 | 0***2 | Шайба стопорная | |
5 | 0***1 | Шайба | |
6 | 3***9 | Рукав | |
7 | 2***2 | Хомут | |
8 | 3***4 | Поручень | |
9 | 0***7 | Болт | |
10 | 0***8 | Шайба | |
11 | 2***9 | Пластина | |
12 | 4***9 | GUARD | |
13 | 0***1 | Болт | |
14 | 2***9 | CLAMP | |
15 | 0***4 | Болт | |
16 | 0***5 | Шайба | |
17 | 0***2 | Шайба | |
18 | 1***3 | O-RING | |
19 | 1***5 | Кольцо круглого сечения | |
20 | 0***6 | Clamp | |
21 | 0***7 | Болт | |
22 | 0***6 | Шайба | |
23 | 0***5 | Шайба | |
24 | 0***1 | Гайка | |
25 | 0***5 | Болт | |
26 | 0***2 | Clamp | |
27 | 3***0 | Cable tie | |
28 | 1***7 | Рукав | |
29 | 3***3 | HOSE | |
30 | 0***5 | CLAMP | |
31 | 1***0 | Рукав | |
32 | 0***7 | Clamp | |
33 | 1***7 | PIPE | |
34 | 4***0 | GUARD | |
35 | 0***7 | Шайба | |
36 | 2***7 | Система отвода | |
37 | 2***1 | OIL DRAIN DEVICE |
Содержащиеся в справочниках-каталогах запасные части и детали не предлагаются к продаже, а носят исключительно информационный характер. В демо-версии артикулы (номера деталей) скрыты. Если вы хотите видеть полные оригинальные номера запчастей, вам необходимо зарегистрироваться на нашем сайте и приобрести подписку по интересующей вас конфигурации, после этого вы сможете встроить онлайн-каталоги на ваш сайт или пользоваться ими из личного кабинета нашего сайта. Обращаем ваше внимание на то, что каталоги содержат информацию об оригинальных заводских номерах и названиях запчастей. База по аналогам в данный момент не реализована. Поиска по VIN-номерам в онлайн-каталоге не предусмотрено. Выбор конкретного каталога осуществляется путем открытия нужного типа техники, марки, модели с учетом года выпуска или модификации.