Каталог запасных частей к технике: LiuGong ZL50C. 43C0022 000 FORK (О¦1000)

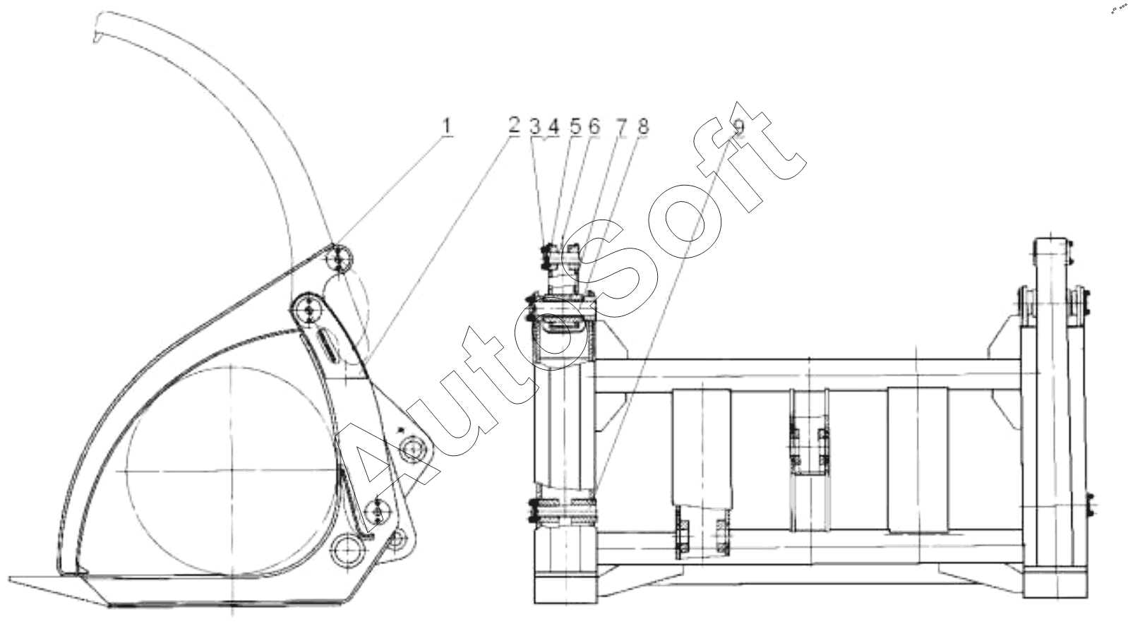
1
2
3
4
5
6
7
8
9
Позиция на иллюстрации | Заводской номер детали | Название детали | |
---|---|---|---|
1 | 2***9 | FORK | |
2 | 2***0 | FORK | |
3 | 0***1 | Болт | |
4 | 0***8 | Шайба | |
5 | 1***4 | Ниппель | |
6 | 1***6 | PIN | |
7 | 5***2 | BUSHING | |
8 | 1***7 | PIN | |
9 | 1***8 | PIN |
Содержащиеся в справочниках-каталогах запасные части и детали не предлагаются к продаже, а носят исключительно информационный характер. В демо-версии артикулы (номера деталей) скрыты. Если вы хотите видеть полные оригинальные номера запчастей, вам необходимо зарегистрироваться на нашем сайте и приобрести подписку по интересующей вас конфигурации, после этого вы сможете встроить онлайн-каталоги на ваш сайт или пользоваться ими из личного кабинета нашего сайта. Обращаем ваше внимание на то, что каталоги содержат информацию об оригинальных заводских номерах и названиях запчастей. База по аналогам в данный момент не реализована. Поиска по VIN-номерам в онлайн-каталоге не предусмотрено. Выбор конкретного каталога осуществляется путем открытия нужного типа техники, марки, модели с учетом года выпуска или модификации.