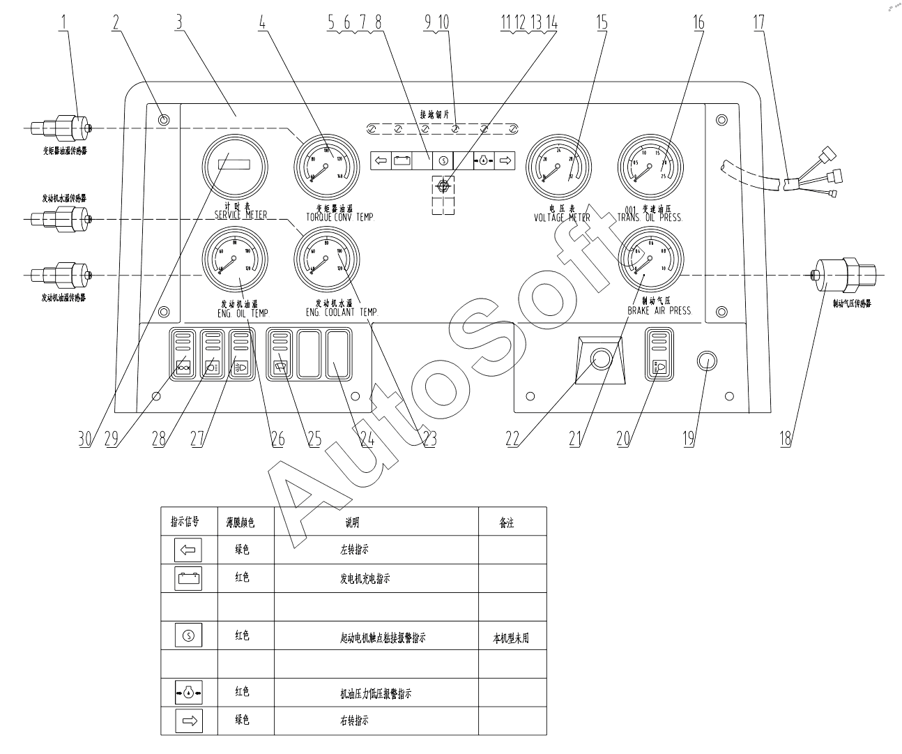
Каталог запасных частей к технике: LiuGong ZL50C. 46C3329 000 INSTRUMENT PANEL

16
30
29
28
27
26
25
24
23
22
21
20
19
18
17
1
15
14
13
12
11
10
9
8
7
6
5
4
3
2
Позиция на иллюстрации | Заводской номер детали | Название детали | |
---|---|---|---|
1 | 3***3 | Temp sensor | |
2 | 0***0 | SCREW | |
3 | 8***1 | INSTRUMENT PANEL | |
4 | 9***4 | Oil temp gauge | |
5 | 3***1 | SYMBOL | |
6 | 3***2 | COVER | |
7 | 3***3 | BODY | |
8 | 3***4 | BULB | |
9 | 0***0 | Винт | |
10 | 0***2 | Шайба | |
11 | 0***9 | CLIP | |
12 | 0***6 | Винт | |
13 | 0***4 | WASHER | |
14 | 0***3 | Шайба | |
15 | 3***7 | Прибор измерительный | |
16 | 9***7 | OIL PRESSURE GAUGE | |
17 | 0***2 | HARNESS | |
18 | 3***5 | AIR PRESSURE SENSOR | |
19 | 3***1 | TURN LIGHT SWITCH | |
20 | 3***6 | FRONT LIGHT SWITCH | |
21 | 3***4 | Air pressure gauge | |
22 | 3***8 | Переключатель клавишный | |
23 | 9***9 | Coolant temp gauge | |
24 | 3***5 | Пластина | |
25 | 3***2 | WIPER SWITCH | |
26 | 9***0 | ENGINE OIL TEMP GAUGE | |
27 | 3***6 | WORK LIHT SWITCH | |
28 | 3***7 | REAR FLOODLIGHT SW | |
29 | 3***4 | POSITION LIGHT SWITCH | |
30 | 3***8 | Счетчик моточасов |
Содержащиеся в справочниках-каталогах запасные части и детали не предлагаются к продаже, а носят исключительно информационный характер. В демо-версии артикулы (номера деталей) скрыты. Если вы хотите видеть полные оригинальные номера запчастей, вам необходимо зарегистрироваться на нашем сайте и приобрести подписку по интересующей вас конфигурации, после этого вы сможете встроить онлайн-каталоги на ваш сайт или пользоваться ими из личного кабинета нашего сайта. Обращаем ваше внимание на то, что каталоги содержат информацию об оригинальных заводских номерах и названиях запчастей. База по аналогам в данный момент не реализована. Поиска по VIN-номерам в онлайн-каталоге не предусмотрено. Выбор конкретного каталога осуществляется путем открытия нужного типа техники, марки, модели с учетом года выпуска или модификации.