Каталог запасных частей к технике: LiuGong ZL50C. 00C1812 000 FORK CYLINDER LINES

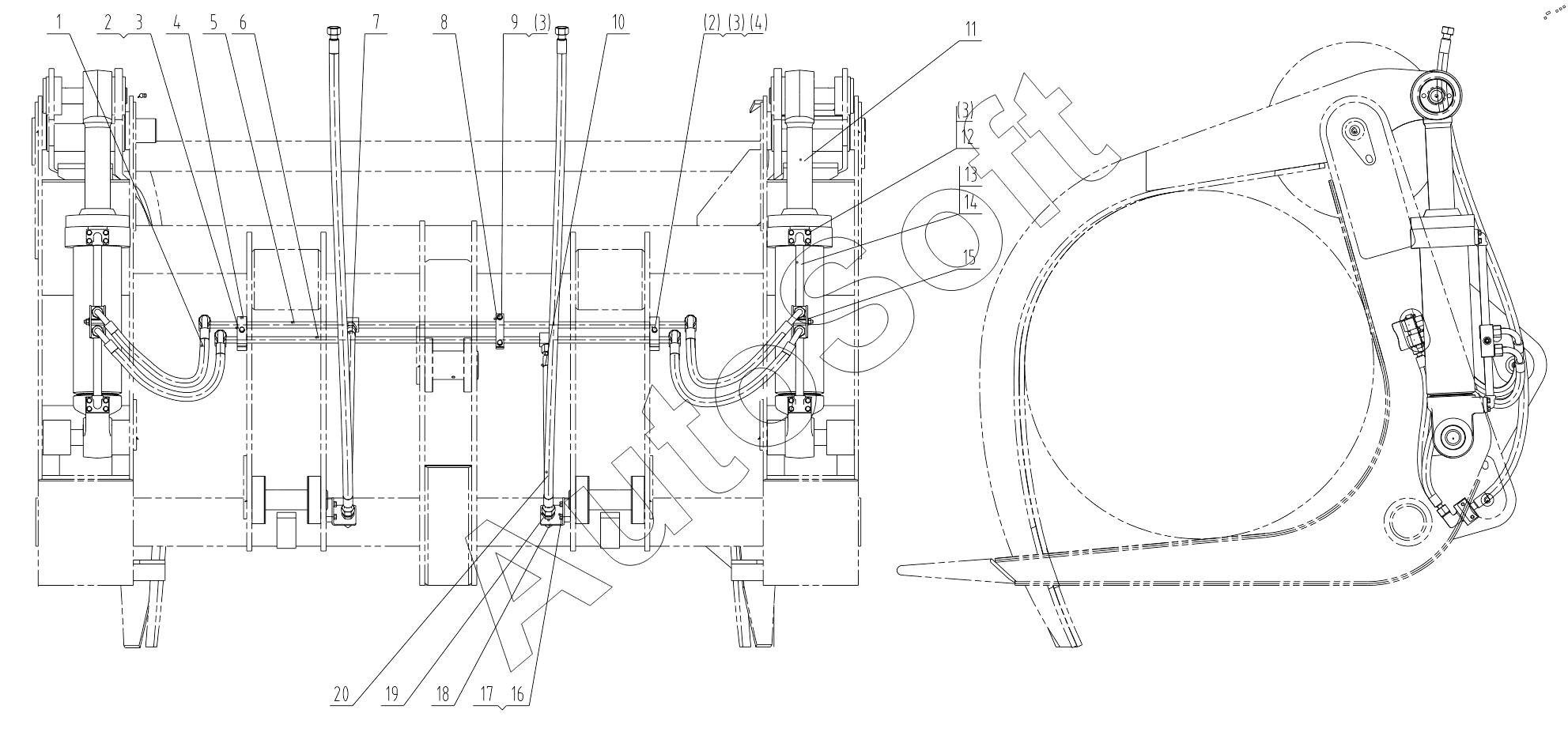
11
20
19
18
17
16
15
14
13
12
1
10
9
8
7
6
5
4
4
3
3
3
3
2
2
Позиция на иллюстрации | Заводской номер детали | Название детали | |
---|---|---|---|
1 | 0***3 | HOSE AS | |
2 | 0***0 | BOLT | |
3 | 0***6 | Шайба | |
4 | 1***8 | CLAMP | |
5 | 1***2 | TUBE AS | |
6 | 1***1 | TUBE AS | |
7 | 0***7 | HOSE AS | |
8 | 1***5 | PLATE | |
9 | 0***5 | Болт | |
10 | 0***8 | HOSE AS | |
11 | 1***3 | FORK CYLINDER | |
12 | 0***0 | BOLT | |
13 | 1***4 | Кольцо круглого сечения | |
14 | 1***7 | PIPE AS | |
15 | 0***4 | CLAMP | |
16 | 0***2 | BOLT | |
17 | 0***2 | Шайба | |
18 | 2***6 | PLATE | |
19 | 3***6 | CONNECTOR | |
20 | 0***9 | HOSE AS |
Содержащиеся в справочниках-каталогах запасные части и детали не предлагаются к продаже, а носят исключительно информационный характер. В демо-версии артикулы (номера деталей) скрыты. Если вы хотите видеть полные оригинальные номера запчастей, вам необходимо зарегистрироваться на нашем сайте и приобрести подписку по интересующей вас конфигурации, после этого вы сможете встроить онлайн-каталоги на ваш сайт или пользоваться ими из личного кабинета нашего сайта. Обращаем ваше внимание на то, что каталоги содержат информацию об оригинальных заводских номерах и названиях запчастей. База по аналогам в данный момент не реализована. Поиска по VIN-номерам в онлайн-каталоге не предусмотрено. Выбор конкретного каталога осуществляется путем открытия нужного типа техники, марки, модели с учетом года выпуска или модификации.