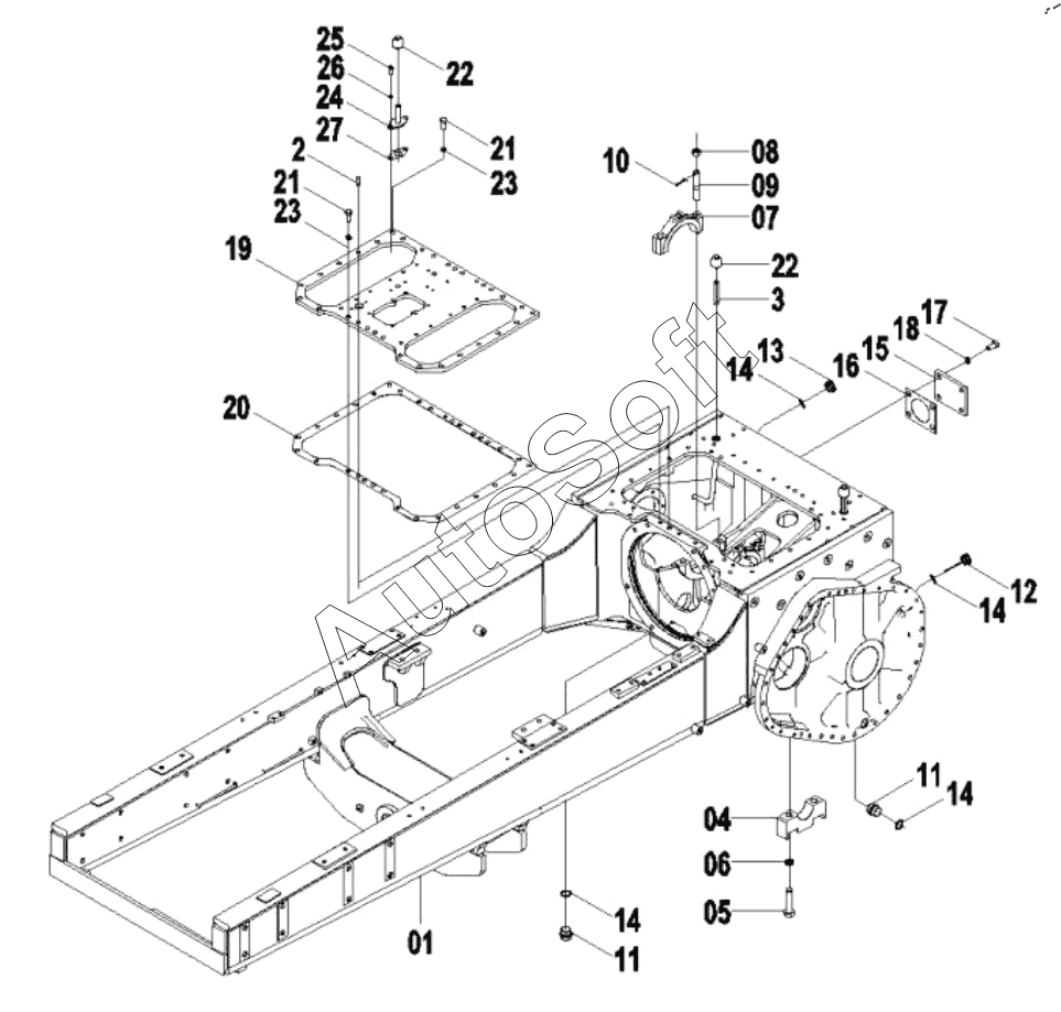
Каталог запасных частей к технике: LiuGong CLG-B160C (2016). 08Y0391 MAIN FRAME AS (SWAMP FOREST)

14
14
14
14
27
26
25
24
23
23
22
22
21
21
20
19
18
17
16
15
1
13
12
11
11
10
9
8
7
6
5
4
3
2
Позиция на иллюстрации | Заводской номер детали | Название детали | |
---|---|---|---|
1 | 3***9 | RACK | |
2 | 0***6 | Pin | |
3 | 3***0 | Pipe | |
4 | 1***1 | Seat | |
5 | 0***3 | Bolt | |
6 | 0***8 | Washer | |
7 | 1***2 | Bearing cover | |
8 | 0***7 | Nut | |
9 | 0***0 | Stud bolt | |
10 | 0***2 | Палец | |
11 | 0***1 | Plug | |
12 | 1***1 | Gauge | |
13 | 1***0 | Gauge | |
14 | 1***0 | O-ring | |
15 | 1***9 | Plate | |
16 | 1***9 | Gasket | |
17 | 0***3 | BOLT | |
18 | 0***8 | Washer | |
19 | 1***6 | Plate | |
20 | 8***0 | Gasket | |
21 | 0***6 | BOLT | |
22 | 3***3 | Breather plug | |
23 | 0***6 | Washer | |
24 | 1***5 | Flange base | |
25 | 0***1 | BOLT | |
26 | 0***6 | Washer | |
27 | 1***1 | Gasket |
Содержащиеся в справочниках-каталогах запасные части и детали не предлагаются к продаже, а носят исключительно информационный характер. В демо-версии артикулы (номера деталей) скрыты. Если вы хотите видеть полные оригинальные номера запчастей, вам необходимо зарегистрироваться на нашем сайте и приобрести подписку по интересующей вас конфигурации, после этого вы сможете встроить онлайн-каталоги на ваш сайт или пользоваться ими из личного кабинета нашего сайта. Обращаем ваше внимание на то, что каталоги содержат информацию об оригинальных заводских номерах и названиях запчастей. База по аналогам в данный момент не реализована. Поиска по VIN-номерам в онлайн-каталоге не предусмотрено. Выбор конкретного каталога осуществляется путем открытия нужного типа техники, марки, модели с учетом года выпуска или модификации.