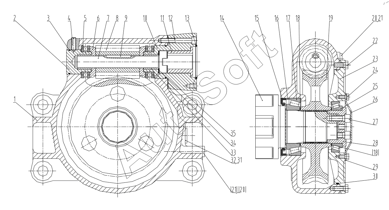
Каталог запасных частей к технике: LiuGong CLG-418 (2009). 04E0030 001 TURBO BOX

27
19
20
20
21
21
22
23
24
25
26
18
18
28
29
30
31
32
33
34
35
10
2
3
4
5
6
7
8
9
1
11
12
13
14
15
16
17
Позиция на иллюстрации | Заводской номер детали | Название детали | |
---|---|---|---|
1 | 7***9 | HOUSING | |
2 | 5***8 | BEAR CARRIER | |
3 | 1***6 | O-RING | |
4 | 0***5 | Винт | |
5 | 2***2 | BEARING | |
6 | 3***9 | DISC | |
7 | 6***5 | SHAFT | |
8 | 4***3 | WORM | |
9 | 0***7 | FLAT KEY | |
10 | 7***0 | BEAR CARRIER | |
11 | 3***6 | SLEEVE | |
12 | 0***9 | SCREW | |
13 | 1***1 | O-RING | |
14 | 4***3 | SHAFT | |
15 | 1***7 | SEAL | |
16 | 5***8 | WASHER | |
17 | 2***7 | Роликоподшипник конический | |
18 | 2***2 | GASKET | |
19 | 4***4 | WORM GEAR | |
20 | 0***7 | Заглушка | |
21 | 1***0 | Кольцо круглого сечения | |
22 | 0***2 | BOLT | |
23 | 7***1 | COVER | |
24 | 0***7 | Болт | |
25 | 2***1 | Tap.roller brg | |
26 | 1***2 | COVER | |
27 | 0***0 | Болт | |
28 | 5***7 | COVER | |
29 | 1***2 | GASKET | |
30 | 1***3 | O-RING | |
31 | 4***7 | OIL DIPSTICK | |
32 | 0***6 | WASHER | |
33 | 3***3 | BUSHING | |
34 | 2***0 | GASKET | |
35 | 5***2 | CUSHION |
Содержащиеся в справочниках-каталогах запасные части и детали не предлагаются к продаже, а носят исключительно информационный характер. В демо-версии артикулы (номера деталей) скрыты. Если вы хотите видеть полные оригинальные номера запчастей, вам необходимо зарегистрироваться на нашем сайте и приобрести подписку по интересующей вас конфигурации, после этого вы сможете встроить онлайн-каталоги на ваш сайт или пользоваться ими из личного кабинета нашего сайта. Обращаем ваше внимание на то, что каталоги содержат информацию об оригинальных заводских номерах и названиях запчастей. База по аналогам в данный момент не реализована. Поиска по VIN-номерам в онлайн-каталоге не предусмотрено. Выбор конкретного каталога осуществляется путем открытия нужного типа техники, марки, модели с учетом года выпуска или модификации.