Каталог запасных частей к технике: LiuGong CLG-418 (2009). 21C0129 000 HYDRAULIC OIL TANK

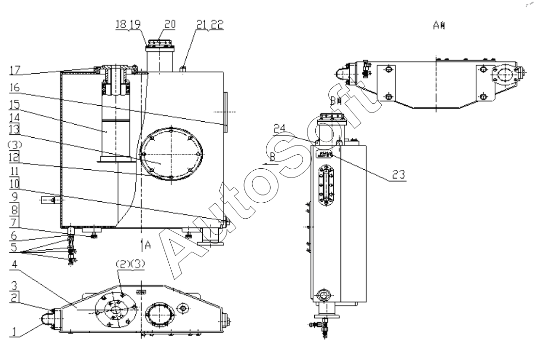
13
24
23
22
21
20
19
18
17
16
15
14
1
12
11
10
9
8
7
6
5
4
3
3
2
Позиция на иллюстрации | Заводской номер детали | Название детали | |
---|---|---|---|
1 | 8***3 | Clamp | |
2 | 0***5 | BOLT | |
3 | 0***2 | Шайба | |
4 | 0***7 | Housing | |
5 | 3***1 | Tee | |
6 | 3***8 | Connector | |
7 | 0***2 | BOLT | |
8 | 0***3 | Шайба | |
9 | 0***9 | Шайба | |
10 | 0***4 | Втулка | |
11 | 1***1 | Кольцо круглого сечения | |
12 | 0***2 | BOLT | |
13 | 5***3 | Flange cover | |
14 | 8***8 | Gasket | |
15 | 1***4 | OIL FILTER | |
16 | 4***7 | DIPSTICK | |
17 | 0***8 | Flange connector | |
18 | 0***7 | Болт | |
19 | 0***6 | Шайба | |
20 | 1***3 | Воздухоочиститель | |
21 | 0***0 | Пробка | |
22 | 1***1 | Кольцо круглого сечения | |
23 | 7***7 | Табличка | |
24 | 8***5 | Gasket |
Содержащиеся в справочниках-каталогах запасные части и детали не предлагаются к продаже, а носят исключительно информационный характер. В демо-версии артикулы (номера деталей) скрыты. Если вы хотите видеть полные оригинальные номера запчастей, вам необходимо зарегистрироваться на нашем сайте и приобрести подписку по интересующей вас конфигурации, после этого вы сможете встроить онлайн-каталоги на ваш сайт или пользоваться ими из личного кабинета нашего сайта. Обращаем ваше внимание на то, что каталоги содержат информацию об оригинальных заводских номерах и названиях запчастей. База по аналогам в данный момент не реализована. Поиска по VIN-номерам в онлайн-каталоге не предусмотрено. Выбор конкретного каталога осуществляется путем открытия нужного типа техники, марки, модели с учетом года выпуска или модификации.