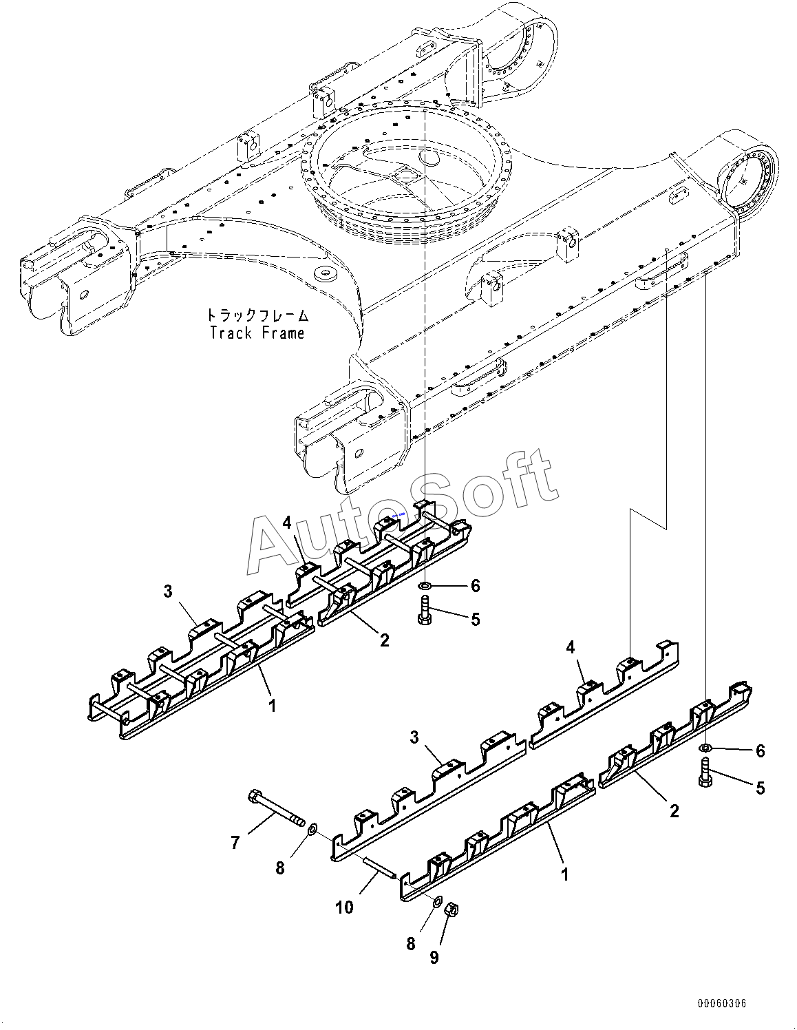
Каталог запасных частей к технике: Komatsu PC300LC-8MO (2010). Track Roller Guard (#80001-)
1
1
2
2
3
3
4
4
5
5
6
6
7
8
8
9
10
| Позиция на иллюстрации | Заводской номер детали | Название детали | |
|---|---|---|---|
| 1 | 2***0 | GUARD,L.H. | |
| 2 | 2***0 | GUARD,L.H. | |
| 3 | 2***0 | GUARD,R.H. | |
| 4 | 2***0 | GUARD,R.H. | |
| 5 | 0***0 | BOLT | |
| 6 | 0***0 | WASHER | |
| 7 | 0***5 | BOLT | |
| 8 | 0***5 | WASHER | |
| 9 | 0***5 | NUT | |
| 10 | 1***1 | COLLAR |
Содержащиеся в справочниках-каталогах запасные части и детали не предлагаются к продаже, а носят исключительно информационный характер. В демо-версии артикулы (номера деталей) скрыты. Если вы хотите видеть полные оригинальные номера запчастей, вам необходимо зарегистрироваться на нашем сайте и приобрести подписку по интересующей вас конфигурации, после этого вы сможете встроить онлайн-каталоги на ваш сайт или пользоваться ими из личного кабинета нашего сайта. Обращаем ваше внимание на то, что каталоги содержат информацию об оригинальных заводских номерах и названиях запчастей. База по аналогам в данный момент не реализована. Поиска по VIN-номерам в онлайн-каталоге не предусмотрено. Выбор конкретного каталога осуществляется путем открытия нужного типа техники, марки, модели с учетом года выпуска или модификации.