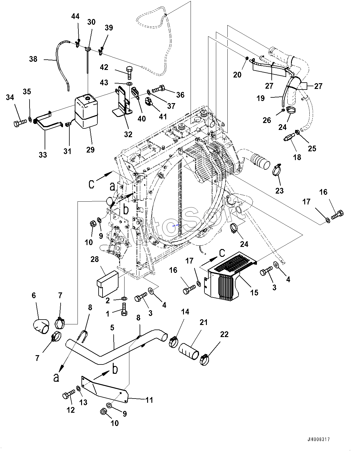
Каталог запасных частей к технике: Komatsu PC300LC-8MO (2010). Cooling System, Reservoir Tank and Piping (#80001-)
34
24
24
25
26
27
27
28
29
30
31
32
33
23
35
36
37
38
39
40
41
42
43
44
12
2
3
3
4
4
5
6
7
7
8
8
9
9
10
10
11
1
13
14
15
16
16
17
17
18
19
20
21
22
| Позиция на иллюстрации | Заводской номер детали | Название детали | |
|---|---|---|---|
| 1 | 0***0 | BOLT | |
| 2 | 0***5 | WASHER | |
| 3 | 0***0 | BOLT | |
| 4 | 2***0 | WASHER | |
| 5 | 2***1 | Tube | |
| 6 | 2***2 | Hose | |
| 7 | 2***0 | Clamp | |
| 8 | 0***3 | CLIP | |
| 9 | 0***2 | WASHER | |
| 10 | 0***9 | NUT | |
| 11 | 2***1 | Bracket | |
| 12 | 0***0 | BOLT | |
| 13 | 0***2 | WASHER | |
| 14 | 2***0 | Clamp | |
| 15 | 2***1 | Guard | |
| 16 | 0***5 | BOLT | |
| 17 | 0***2 | WASHER | |
| 18 | 2***0 | Nipple | |
| 19 | 2***0 | Hose Assembly | |
| 20 | 1***0 | Clip | |
| 21 | 2***0 | Hose | |
| 22 | 2***0 | Clamp | |
| 23 | 0***0 | CLAMP | |
| 24 | 0***0 | CLAMP | |
| 25 | 0***9 | CLAMP | |
| 26 | 1***0 | Clip | |
| 27 | 1***0 | Band | |
| 28 | 2***1 | Seal | |
| 29 | 4***0 | Tank, Reservoir | |
| 30 | 4***0 | Cap | |
| 31 | 0***2 | Connector | |
| 32 | 2***1 | Bracket | |
| 33 | 2***1 | Band | |
| 34 | 0***5 | BOLT | |
| 35 | 0***2 | WASHER | |
| 36 | 0***2 | BOLT | |
| 37 | 0***3 | WASHER | |
| 38 | 2***1 | Hose | |
| 39 | 2***0 | CLIP | |
| 40 | 2***1 | BRACKET | |
| 41 | 2***1 | SENSOR | |
| 42 | 0***0 | BOLT | |
| 43 | 0***2 | WASHER | |
| 44 | 2***0 | CLIP |
Содержащиеся в справочниках-каталогах запасные части и детали не предлагаются к продаже, а носят исключительно информационный характер. В демо-версии артикулы (номера деталей) скрыты. Если вы хотите видеть полные оригинальные номера запчастей, вам необходимо зарегистрироваться на нашем сайте и приобрести подписку по интересующей вас конфигурации, после этого вы сможете встроить онлайн-каталоги на ваш сайт или пользоваться ими из личного кабинета нашего сайта. Обращаем ваше внимание на то, что каталоги содержат информацию об оригинальных заводских номерах и названиях запчастей. База по аналогам в данный момент не реализована. Поиска по VIN-номерам в онлайн-каталоге не предусмотрено. Выбор конкретного каталога осуществляется путем открытия нужного типа техники, марки, модели с учетом года выпуска или модификации.