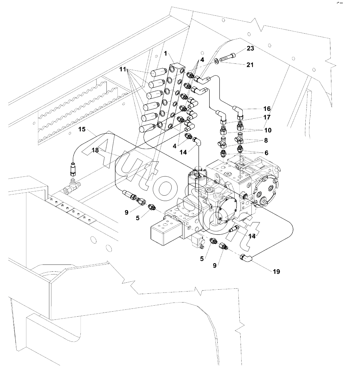
Каталог запасных частей к технике: Ammann ASC 150 (2010). 392 ИЗМЕРИТЕЛЬНЫЕ МЕСТА;MEASURING PIN

11
23
21
19
18
17
16
15
14
14
10
9
9
8
6
5
5
4
4
1
Позиция на иллюстрации | Заводской номер детали | Название детали | |
---|---|---|---|
4-107576 | 4***6 | MeasuRing point | |
1 | 4***0 | Cube | |
4 | 4***3 | Connector | |
5 | 4***2 | МУФТА | |
6 | 4***1 | Connector | |
8 | 4***5 | L-connection | |
9 | 4***3 | Reduction | |
10 | 4***8 | Reduction | |
11 | 4***3 | Clutch | |
14 | 4***4 | Hydr hose | |
15 | 4***8 | Hose | |
16 | 4***9 | Hydr hose | |
17 | 4***0 | Hydr hose | |
18 | 4***1 | Hydr hose | |
19 | 4***1 | Hydr hose | |
21 | 4***0 | Spring washer | |
23 | 4***5 | Socket head cap screw |
Содержащиеся в справочниках-каталогах запасные части и детали не предлагаются к продаже, а носят исключительно информационный характер. В демо-версии артикулы (номера деталей) скрыты. Если вы хотите видеть полные оригинальные номера запчастей, вам необходимо зарегистрироваться на нашем сайте и приобрести подписку по интересующей вас конфигурации, после этого вы сможете встроить онлайн-каталоги на ваш сайт или пользоваться ими из личного кабинета нашего сайта. Обращаем ваше внимание на то, что каталоги содержат информацию об оригинальных заводских номерах и названиях запчастей. База по аналогам в данный момент не реализована. Поиска по VIN-номерам в онлайн-каталоге не предусмотрено. Выбор конкретного каталога осуществляется путем открытия нужного типа техники, марки, модели с учетом года выпуска или модификации.