Каталог запасных частей к технике: Ammann ARX 45 (2010). Operator stand

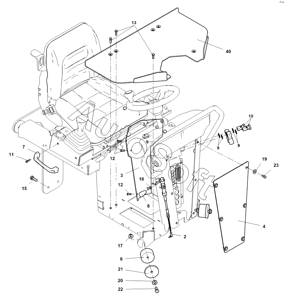
12
12
40
23
22
21
20
19
17
16
15
13
11
10
9
9
8
7
6
4
3
2
Позиция на иллюстрации | Заводской номер детали | Название детали | |
---|---|---|---|
1186128 | 1***8 | Assembly | |
2 | 1***0 | Accelerator cable | |
3 | 1***0 | Cover plate | |
4 | 1***5 | Cover plate | |
6 | 1***9 | Silentbloc | |
7 | 1***5 | Handgrip | |
8 | 1***2 | Handle | |
9 | 1***8 | Sealing ring | |
10 | 1***0 | Hollowscrew | |
11 | 4***5 | Socket head cap screw | |
12 | 1***6 | Socket head cap screw | |
13 | 4***5 | Hexagon head screw | |
15 | J***4 | Hexagon head screw | |
16 | 4***0 | Hexagon nut | |
17 | 3***3 | Hexagon nut | |
19 | 4***4 | Washer | |
20 | J***5 | Washer | |
21 | 1***0 | Rod with drilled hole | |
22 | 4***0 | Hexagon head screw | |
23 | 4***0 | Hexagon head screw | |
40 | 1***4 | Foot plate |
Содержащиеся в справочниках-каталогах запасные части и детали не предлагаются к продаже, а носят исключительно информационный характер. В демо-версии артикулы (номера деталей) скрыты. Если вы хотите видеть полные оригинальные номера запчастей, вам необходимо зарегистрироваться на нашем сайте и приобрести подписку по интересующей вас конфигурации, после этого вы сможете встроить онлайн-каталоги на ваш сайт или пользоваться ими из личного кабинета нашего сайта. Обращаем ваше внимание на то, что каталоги содержат информацию об оригинальных заводских номерах и названиях запчастей. База по аналогам в данный момент не реализована. Поиска по VIN-номерам в онлайн-каталоге не предусмотрено. Выбор конкретного каталога осуществляется путем открытия нужного типа техники, марки, модели с учетом года выпуска или модификации.