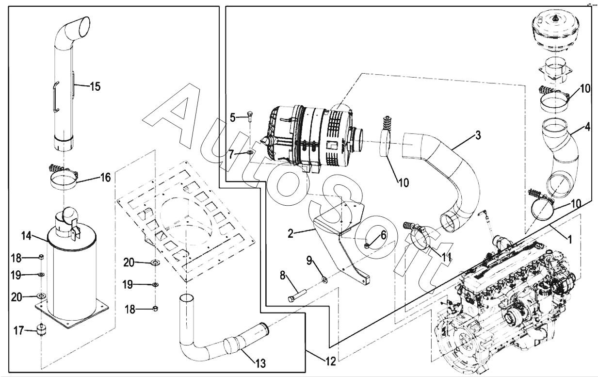
Каталог запасных частей к технике: Ammann AFT 500 (2018). Engine Assembly

11
20
20
19
19
18
18
17
16
15
14
13
12
1
10
10
10
9
8
7
6
5
4
3
2
Позиция на иллюстрации | Заводской номер детали | Название детали | |
---|---|---|---|
1 | 1***5 | Air Intake System | |
2 | 1***2 | Bracket Air Filter | |
3 | 1***5 | Hose Air Intake | |
4 | 1***8 | Pre-Cleaner Connection Hose | |
5 | 1***9 | Hex screw | |
6 | 1***6 | Hexagon nut | |
7 | 1***2 | Spring washer | |
8 | 1***3 | Hex Screw | |
9 | 1***3 | Spring washer | |
10 | 1***1 | Tb Hose Clamp Spring Loaded | |
11 | 1***5 | Tb Hose Clamp Spring Loaded | |
12 | 1***8 | Exhaust System | |
13 | 1***1 | Exhaust Connection Pipe | |
14 | 1***0 | Silencer | |
15 | 1***2 | Exhaust Pipe | |
16 | 1***7 | Silencer Clamp | |
17 | 1***9 | Rubber Foundation Pad | |
18 | 1***4 | Hexagon nut | |
19 | 1***1 | Spring washer | |
20 | 1***6 | Washer |
Содержащиеся в справочниках-каталогах запасные части и детали не предлагаются к продаже, а носят исключительно информационный характер. В демо-версии артикулы (номера деталей) скрыты. Если вы хотите видеть полные оригинальные номера запчастей, вам необходимо зарегистрироваться на нашем сайте и приобрести подписку по интересующей вас конфигурации, после этого вы сможете встроить онлайн-каталоги на ваш сайт или пользоваться ими из личного кабинета нашего сайта. Обращаем ваше внимание на то, что каталоги содержат информацию об оригинальных заводских номерах и названиях запчастей. База по аналогам в данный момент не реализована. Поиска по VIN-номерам в онлайн-каталоге не предусмотрено. Выбор конкретного каталога осуществляется путем открытия нужного типа техники, марки, модели с учетом года выпуска или модификации.