Каталог запасных частей к технике: Ammann ARX 90 (2014). Edge cutter 45°

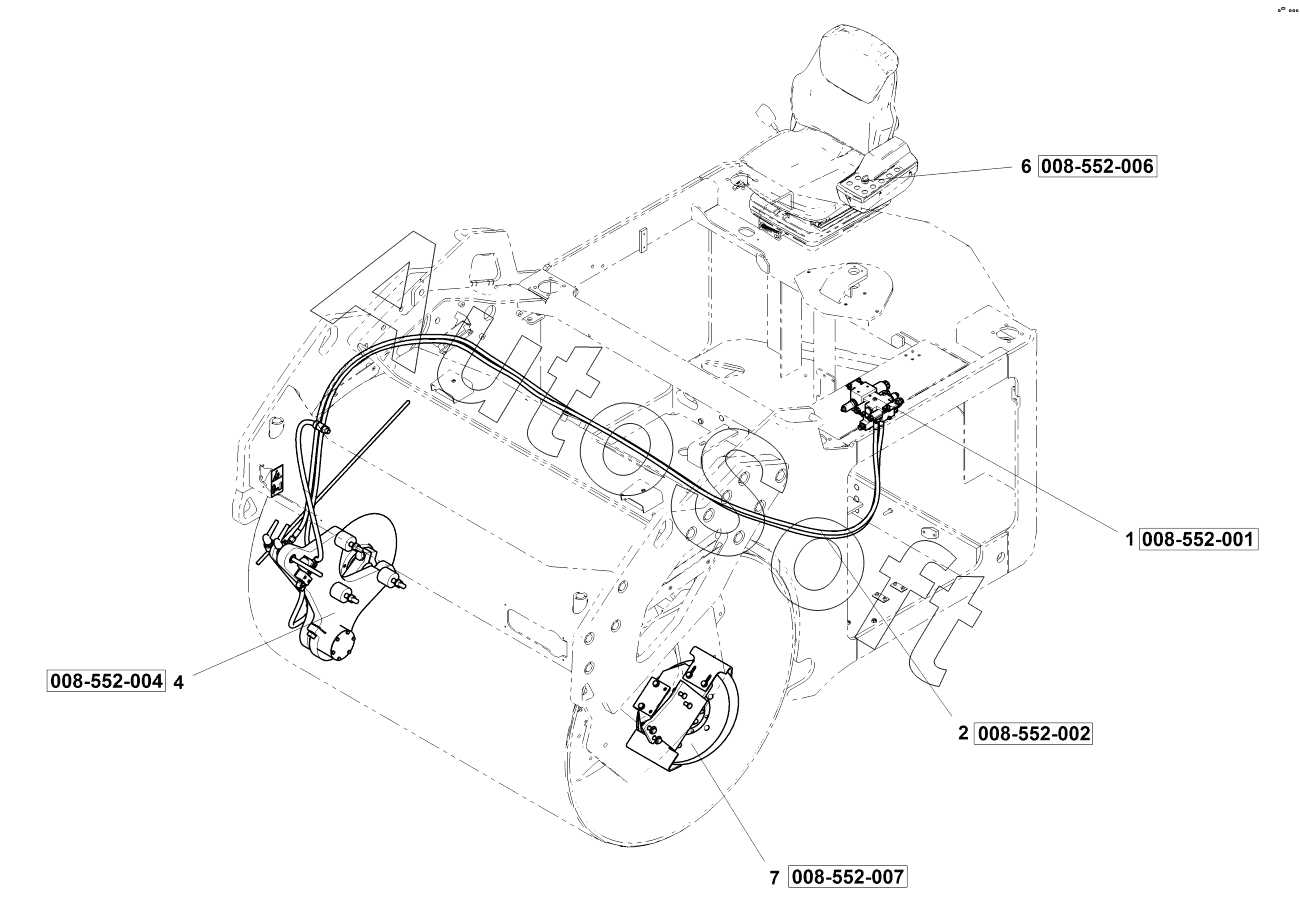
1
2
4
6
7
Позиция на иллюстрации | Заводской номер детали | Название детали | |
---|---|---|---|
4-24581 | 4***1 | Edge cutter | |
1 | 4***2 | CRAB steering block and Edge cutter | |
2 | 4***0 | Hydraulics - One-sided edge cutter | |
4 | 4***B | Right edge cutter for unsplit drum | |
6 | 4***5 | Cutter control wiring | |
7 | 4***0 | Edge pressing roller 45° |
Содержащиеся в справочниках-каталогах запасные части и детали не предлагаются к продаже, а носят исключительно информационный характер. В демо-версии артикулы (номера деталей) скрыты. Если вы хотите видеть полные оригинальные номера запчастей, вам необходимо зарегистрироваться на нашем сайте и приобрести подписку по интересующей вас конфигурации, после этого вы сможете встроить онлайн-каталоги на ваш сайт или пользоваться ими из личного кабинета нашего сайта. Обращаем ваше внимание на то, что каталоги содержат информацию об оригинальных заводских номерах и названиях запчастей. База по аналогам в данный момент не реализована. Поиска по VIN-номерам в онлайн-каталоге не предусмотрено. Выбор конкретного каталога осуществляется путем открытия нужного типа техники, марки, модели с учетом года выпуска или модификации.