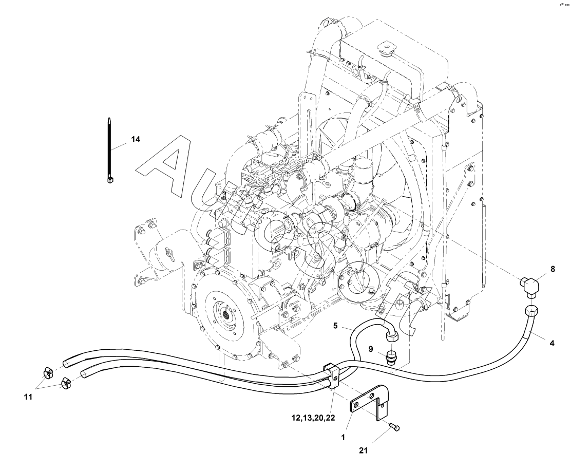
Каталог запасных частей к технике: Ammann ASC 70 (2021). Heating connection

1
4
5
8
9
11
12
13
14
20
21
22
Позиция на иллюстрации | Заводской номер детали | Название детали | |
---|---|---|---|
4-211152 | 4***2 | Linkage | |
1 | 4***6 | Holder | |
4 | 4***8 | Hydr hose | |
5 | 4***6 | Hydr hose | |
8 | 4***5 | КОЛЕНО | |
9 | 4***6 | Screwed connection | |
11 | 4***1 | Hose clamp | |
12 | 4***8 | ЗАЖИМ | |
13 | 4***7 | Cap | |
14 | 4***6 | Staple strip | |
20 | 4***5 | Hexagon head screw | |
21 | 4***0 | Hexagon head screw | |
22 | 2***4 | Lock washer |
Содержащиеся в справочниках-каталогах запасные части и детали не предлагаются к продаже, а носят исключительно информационный характер. В демо-версии артикулы (номера деталей) скрыты. Если вы хотите видеть полные оригинальные номера запчастей, вам необходимо зарегистрироваться на нашем сайте и приобрести подписку по интересующей вас конфигурации, после этого вы сможете встроить онлайн-каталоги на ваш сайт или пользоваться ими из личного кабинета нашего сайта. Обращаем ваше внимание на то, что каталоги содержат информацию об оригинальных заводских номерах и названиях запчастей. База по аналогам в данный момент не реализована. Поиска по VIN-номерам в онлайн-каталоге не предусмотрено. Выбор конкретного каталога осуществляется путем открытия нужного типа техники, марки, модели с учетом года выпуска или модификации.