Каталог запасных частей к технике: Ammann ASC 70 (2021). Frame ROPS 2D

14
31
30
29
27
26
26
23
23
22
21
21
21
21
21
18
17
16
15
13
12
10
9
8
7
5
4
3
2
1
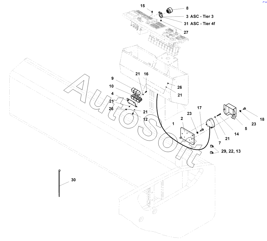
Позиция на иллюстрации | Заводской номер детали | Название детали | |
---|---|---|---|
4-107612 | 4***2 | Frame | |
1 | 4***0 | Cable harness | |
2 | 4***1 | Intermediate piece | |
3 | 4***4 | Holder | |
4 | 4***5 | Holder | |
5 | 4***0 | Cover | |
7 | 1***2 | Sensor | |
8 | 4***3 | Signalling | |
9 | 4***0 | Relay | |
10 | 4***1 | Relay support | |
12 | 4***0 | Hexagon head screw | |
13 | 4***0 | Hexagon head screw | |
14 | 4***5 | Hexagon head screw | |
15 | 4***2 | Socket head cap screw | |
16 | 4***0 | Socket head cap screw | |
17 | 4***5 | Hexagon head screw | |
18 | 4***4 | Hexagon head screw | |
21 | 1***3 | Lock washer | |
22 | 1***1 | Lock washer | |
23 | 2***4 | Lock washer | |
26 | 4***0 | Hexagon nut | |
27 | 1***1 | Hexagon nut | |
29 | 4***3 | Clamping device | |
30 | 4***6 | Staple strip | |
31 | 4***8 | Bracket |
Содержащиеся в справочниках-каталогах запасные части и детали не предлагаются к продаже, а носят исключительно информационный характер. В демо-версии артикулы (номера деталей) скрыты. Если вы хотите видеть полные оригинальные номера запчастей, вам необходимо зарегистрироваться на нашем сайте и приобрести подписку по интересующей вас конфигурации, после этого вы сможете встроить онлайн-каталоги на ваш сайт или пользоваться ими из личного кабинета нашего сайта. Обращаем ваше внимание на то, что каталоги содержат информацию об оригинальных заводских номерах и названиях запчастей. База по аналогам в данный момент не реализована. Поиска по VIN-номерам в онлайн-каталоге не предусмотрено. Выбор конкретного каталога осуществляется путем открытия нужного типа техники, марки, модели с учетом года выпуска или модификации.