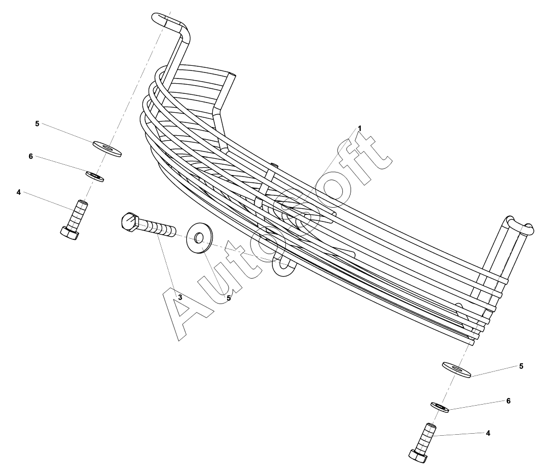
Каталог запасных частей к технике: Ammann AV 110X (2017). Fan cover

1
3
4
4
5
5
5
6
6
Позиция на иллюстрации | Заводской номер детали | Название детали | |
---|---|---|---|
4-10162A | 4***A | Ventilator cover | |
1 | 4***A | Cover | |
3 | 4***5 | БОЛТ | |
4 | 4***5 | Hexagon head screw | |
5 | 4***4 | Washer | |
6 | 4***0 | Spring washer |
Содержащиеся в справочниках-каталогах запасные части и детали не предлагаются к продаже, а носят исключительно информационный характер. В демо-версии артикулы (номера деталей) скрыты. Если вы хотите видеть полные оригинальные номера запчастей, вам необходимо зарегистрироваться на нашем сайте и приобрести подписку по интересующей вас конфигурации, после этого вы сможете встроить онлайн-каталоги на ваш сайт или пользоваться ими из личного кабинета нашего сайта. Обращаем ваше внимание на то, что каталоги содержат информацию об оригинальных заводских номерах и названиях запчастей. База по аналогам в данный момент не реализована. Поиска по VIN-номерам в онлайн-каталоге не предусмотрено. Выбор конкретного каталога осуществляется путем открытия нужного типа техники, марки, модели с учетом года выпуска или модификации.