Каталог запасных частей к технике: Ammann ARR 1575 (2019). Valve block

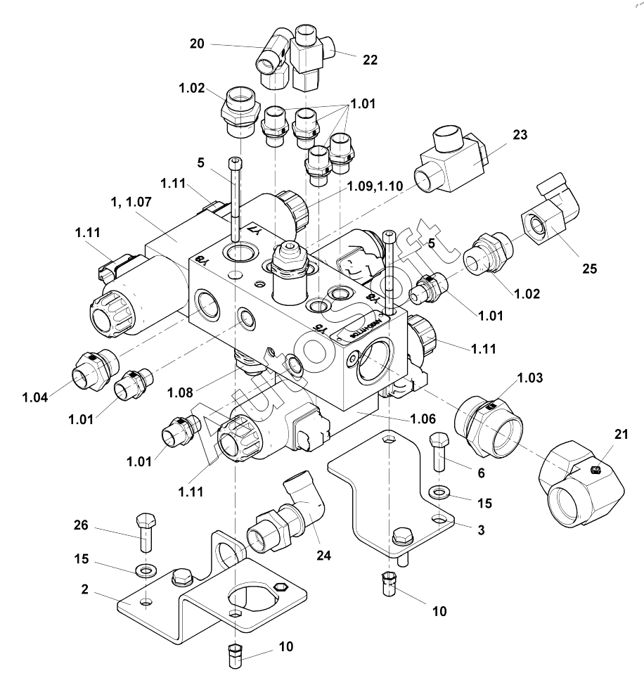
1
1.01
1.01
1.01
1.01
1.02
1.02
1.03
1.04
1.06
1.07
1.08
1.09
1.10
1.11
1.11
1.11
1.11
2
3
5
5
6
10
10
15
15
20
21
22
23
24
25
26
Позиция на иллюстрации | Заводской номер детали | Название детали | |
---|---|---|---|
0 | 1***8 | Valve block | |
1 | 1***9 | Valve block | |
1.01 | H***0 | Screwed connection | |
1.02 | 1***5 | Screwed socket | |
1.03 | 1***1 | Screwed connection | |
1.04 | 1***4 | Screwed connection | |
1.06 | 1***3 | Valve | |
1.07 | 1***4 | Valve | |
1.08 | 1***5 | Valve | |
1.09 | 1***8 | Valve | |
1.10 | 1***7 | Magnetic coil | |
1.11 | 1***8 | Magnetic coil | |
10 | 4***2 | Nut | |
15 | 4***4 | ШАЙБА | |
2 | 1***5 | Mounting plate | |
20 | 4***5 | T-connection | |
21 | 4***5 | Screwed connection | |
22 | 4***5 | L-connection | |
23 | 1***6 | Screwed connection | |
24 | 4***0 | ПРОХОДНОЙ ИЗОЛЯТ | |
25 | 4***9 | Screwed connection | |
26 | 4***0 | Hexagon head screw | |
3 | 1***6 | Mounting plate | |
5 | 1***6 | Cyl head screw | |
6 | 4***5 | Hexagon head screw |
Содержащиеся в справочниках-каталогах запасные части и детали не предлагаются к продаже, а носят исключительно информационный характер. В демо-версии артикулы (номера деталей) скрыты. Если вы хотите видеть полные оригинальные номера запчастей, вам необходимо зарегистрироваться на нашем сайте и приобрести подписку по интересующей вас конфигурации, после этого вы сможете встроить онлайн-каталоги на ваш сайт или пользоваться ими из личного кабинета нашего сайта. Обращаем ваше внимание на то, что каталоги содержат информацию об оригинальных заводских номерах и названиях запчастей. База по аналогам в данный момент не реализована. Поиска по VIN-номерам в онлайн-каталоге не предусмотрено. Выбор конкретного каталога осуществляется путем открытия нужного типа техники, марки, модели с учетом года выпуска или модификации.