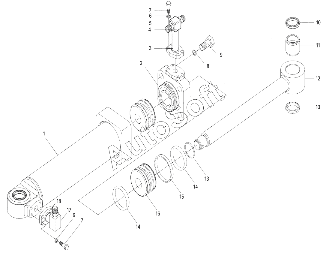
Каталог запасных частей к технике: XGMA XG958. STEERING CYLINDER
10
10
18
17
16
15
14
14
13
12
11
1
9
8
7
7
6
6
5
4
3
2
| Позиция на иллюстрации | Заводской номер детали | Название детали | |
|---|---|---|---|
| 1 | 5***F | Cylinder housing | |
| 2 | 1***1 | Cylinder housing | |
| 3 | 3***0 | Connector | |
| 4 | 3***6 | Connector | |
| 5 | 3***3 | Connector | |
| 6 | 0***3 | Washer | |
| 7 | 0***8 | Bolt | |
| 8 | 0***1 | Lock washer | |
| 9 | G***0 | Screw | |
| 10 | 5***F | Dust-proof ring | |
| 11 | 5***2 | Bearing | |
| 12 | 5***F | Connecting rod group | |
| 13 | 1***0 | O-ring | |
| 14 | 1***9 | Wear ring | |
| 15 | O***1 | Seat ring | |
| 16 | 1***2 | Piston | |
| 17 | 3***6 | Connector | |
| 18 | 5***1 | Flange |
Содержащиеся в справочниках-каталогах запасные части и детали не предлагаются к продаже, а носят исключительно информационный характер. В демо-версии артикулы (номера деталей) скрыты. Если вы хотите видеть полные оригинальные номера запчастей, вам необходимо зарегистрироваться на нашем сайте и приобрести подписку по интересующей вас конфигурации, после этого вы сможете встроить онлайн-каталоги на ваш сайт или пользоваться ими из личного кабинета нашего сайта. Обращаем ваше внимание на то, что каталоги содержат информацию об оригинальных заводских номерах и названиях запчастей. База по аналогам в данный момент не реализована. Поиска по VIN-номерам в онлайн-каталоге не предусмотрено. Выбор конкретного каталога осуществляется путем открытия нужного типа техники, марки, модели с учетом года выпуска или модификации.