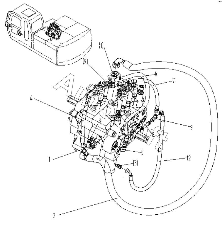
Каталог запасных частей к технике: XGMA XG822EL. PILOT PIPING (7) (PAKER MCV)

1
1
2
3
3
4
5
6
7
8
9
9
12
Позиция на иллюстрации | Заводской номер детали | Название детали | |
---|---|---|---|
1 | 3***2 | ADAPTER | |
2 | 0***3 | HOSE ASSEMBLY | |
3 | 3***4 | ADAPTER | |
4 | 0***0 | HOSE ASSEMBLY | |
5 | 3***5 | ADJUSTABLE ADAPTER | |
6 | 0***0 | HOSE ASSEMBLY | |
7 | 0***5 | HOSE ASSEMBLY | |
8 | 3***6 | ADAPTER | |
9 | 3***3 | TEE | |
10 | 3***5 | ADAPTER | |
11 | 3***5 | TEE | |
12 | 0***0 | HOSE ASSEMBLY |
Содержащиеся в справочниках-каталогах запасные части и детали не предлагаются к продаже, а носят исключительно информационный характер. В демо-версии артикулы (номера деталей) скрыты. Если вы хотите видеть полные оригинальные номера запчастей, вам необходимо зарегистрироваться на нашем сайте и приобрести подписку по интересующей вас конфигурации, после этого вы сможете встроить онлайн-каталоги на ваш сайт или пользоваться ими из личного кабинета нашего сайта. Обращаем ваше внимание на то, что каталоги содержат информацию об оригинальных заводских номерах и названиях запчастей. База по аналогам в данный момент не реализована. Поиска по VIN-номерам в онлайн-каталоге не предусмотрено. Выбор конкретного каталога осуществляется путем открытия нужного типа техники, марки, модели с учетом года выпуска или модификации.