Каталог запасных частей к технике: SANY STC250H. 11047992 Cooling system
16
30
29
28
27
26
25
24
23
22
21
20
19
18
17
1
15
14
13
12
11
10
9
8
7
6
5
4
3
2
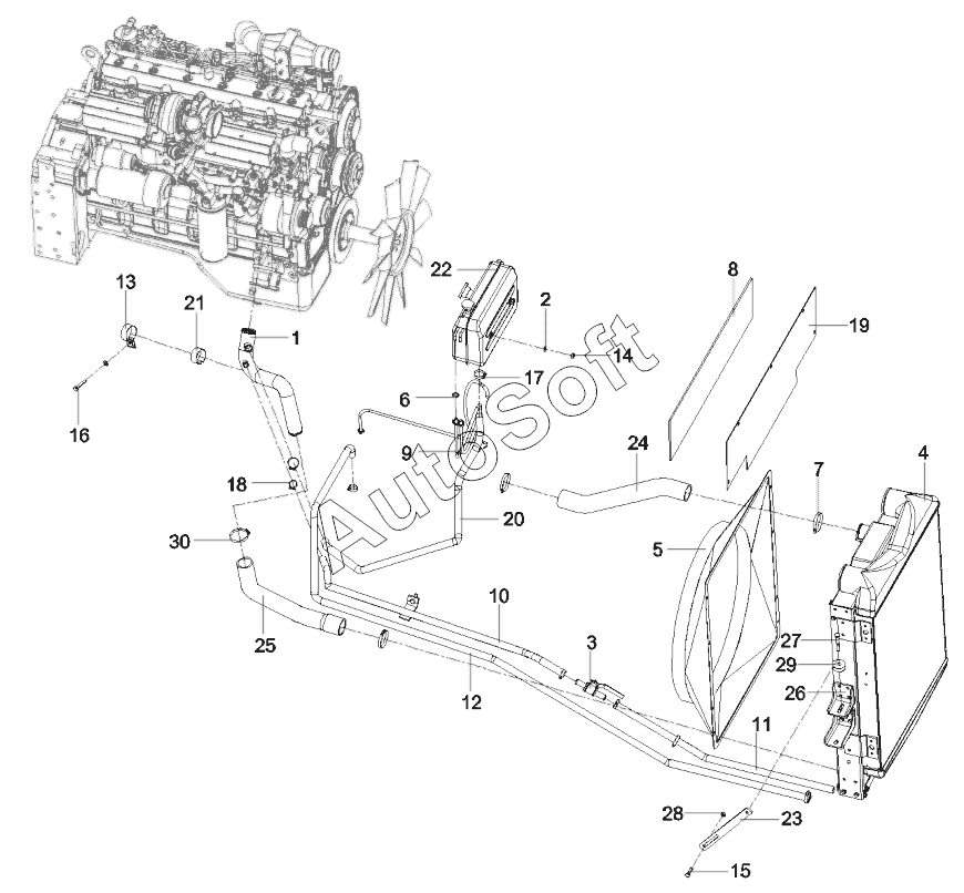
| Позиция на иллюстрации | Заводской номер детали | Название детали | |
|---|---|---|---|
| 1 | 1***8 | Pipe gp, steel, water inlet, engine | |
| 2 | A***1 | Washer | |
| 3 | 6***6 | Valve, ball | |
| 4 | 6***7 | Radiator, combination | |
| 5 | 6***4 | Hood, wind protection | |
| 6 | A***3 | Hoop | |
| 7 | A***4 | T-clamp | |
| 8 | A***7 | Cotton, thermal, insulation | |
| 9 | 1***5 | Hose, rubber, degassing | |
| 10 | 1***7 | Water pipe, warm wind, I | |
| 11 | 1***0 | Water pipe, warm wind, II | |
| 12 | 1***1 | Water pipe, warm wind, III | |
| 13 | A***1 | Strap | |
| 14 | A***7 | Nut | |
| 15 | A***5 | Bolt | |
| 16 | A***0 | Bolt | |
| 17 | A***4 | Hoop, ring, hose | |
| 18 | A***7 | Hoop - Hose | |
| 19 | 1***6 | Plate, heat-insulation, radiator | |
| 20 | 1***2 | Pipe, rubber | |
| 21 | 1***8 | Rubber plate, hose clamp, steel pipe, water outtake | |
| 22 | 1***4 | Water tank, expansion | |
| 23 | 1***3 | Pull rod, radiator | |
| 24 | 1***5 | Pipe, rubber, water outlet, engine | |
| 25 | 1***6 | Pipe, rubber, water inlet, engine | |
| 26 | 1***6 | Seat, radiator | |
| 27 | A***3 | Bolt | |
| 28 | A***1 | Nut | |
| 29 | A***8 | Cushion, radiator | |
| 30 | A***1 | Anchor ear, T-type |
Содержащиеся в справочниках-каталогах запасные части и детали не предлагаются к продаже, а носят исключительно информационный характер. В демо-версии артикулы (номера деталей) скрыты. Если вы хотите видеть полные оригинальные номера запчастей, вам необходимо зарегистрироваться на нашем сайте и приобрести подписку по интересующей вас конфигурации, после этого вы сможете встроить онлайн-каталоги на ваш сайт или пользоваться ими из личного кабинета нашего сайта. Обращаем ваше внимание на то, что каталоги содержат информацию об оригинальных заводских номерах и названиях запчастей. База по аналогам в данный момент не реализована. Поиска по VIN-номерам в онлайн-каталоге не предусмотрено. Выбор конкретного каталога осуществляется путем открытия нужного типа техники, марки, модели с учетом года выпуска или модификации.