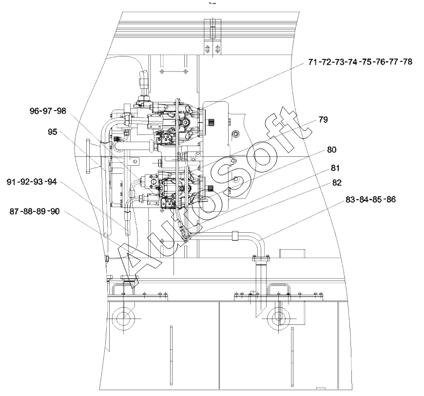
Каталог запасных частей к технике: SANY RSC45C. 10450647 Frame pipeline layout RSC45M.2.1
85
98
97
96
95
94
93
92
91
90
89
88
87
86
71
84
83
82
81
80
79
78
77
76
75
74
73
72
| Позиция на иллюстрации | Заводской номер детали | Название детали | |
|---|---|---|---|
| 71 | B***0 | Double-pump block P2105R+PGP511A0210 Parker | |
| 72 | B***9 | Connector, pressure measuring, SKK20-M12x1.5-PC | |
| 73 | A***1 | Bolt 1/2"-13UNx45 10.9 galvanization | |
| 74 | A***4 | Oil intake flange RSC45.2.1.41 | |
| 75 | A***6 | Screw, M12x40 GB70.1 -grade 12.9 | |
| 76 | A***5 | O-ring | |
| 77 | A***7 | Joint body RSC45.2.1-6 | |
| 78 | A***3 | Washer, 27 JB982 | |
| 79 | B***7 | Pipe joint GE22L11/16UNFOMDA3C | |
| 80 | B***4 | Hose | |
| 81 | B***5 | Hose 1SN20-DKOL-DKOL90-800Q/SY1102 | |
| 82 | B***8 | FITTING - PIPE | |
| 83 | A***6 | Steel tube RSC45.2.1.15 | |
| 84 | B***4 | O-ring | |
| 85 | A***4 | Screw | |
| 86 | B***8 | FITTING - PIPE | |
| 87 | B***4 | Hose 4SH25-DKOS90-SFS90(32)-600-V180Q/SY1 | |
| 88 | B***1 | O-RING | |
| 89 | B***6 | Companion flange FHS65/12A3CX | |
| 90 | A***7 | Screw M12x45GB70.1 12.9 | |
| 91 | 6***3 | Hose 1SN50-SFL45-SFL90-700-V270Q/SY1102 | |
| 92 | B***0 | O-ring, 56.7x3.53 AS568-228 N70 | |
| 93 | B***1 | Flange, split, FHS38A3CX | |
| 94 | A***3 | SCREW | |
| 95 | B***1 | Hose 1SN50-SFL-SFL90-1200Q/SY1102 | |
| 96 | B***2 | Plunger pump P2105R00C1C23LA20N00A1B1P Parker | |
| 97 | A***5 | Oil intake flange RSC45.2.1.24 | |
| 98 | A***5 | One-way valve seat body RSC45.2.1.28 |
Содержащиеся в справочниках-каталогах запасные части и детали не предлагаются к продаже, а носят исключительно информационный характер. В демо-версии артикулы (номера деталей) скрыты. Если вы хотите видеть полные оригинальные номера запчастей, вам необходимо зарегистрироваться на нашем сайте и приобрести подписку по интересующей вас конфигурации, после этого вы сможете встроить онлайн-каталоги на ваш сайт или пользоваться ими из личного кабинета нашего сайта. Обращаем ваше внимание на то, что каталоги содержат информацию об оригинальных заводских номерах и названиях запчастей. База по аналогам в данный момент не реализована. Поиска по VIN-номерам в онлайн-каталоге не предусмотрено. Выбор конкретного каталога осуществляется путем открытия нужного типа техники, марки, модели с учетом года выпуска или модификации.