Каталог запасных частей к технике: SANY SY215C9M2KS. 60008123 Multi-way valve

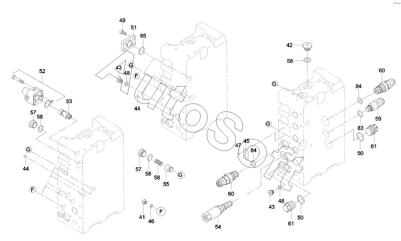
53
85
84
84
83
61
61
60
60
59
58
58
58
57
57
56
55
54
41
52
51
50
50
49
48
48
47
46
45
44
44
43
43
42
Позиция на иллюстрации | Заводской номер детали | Название детали | |
---|---|---|---|
41 | 6***1 | Plug | |
42 | 6***2 | Plug | |
43 | 6***3 | Plug | |
44 | 6***8 | Setscrew | |
45 | 6***1 | Nameplate | |
46 | 6***7 | O-ring | |
47 | 6***2 | Rivet | |
48 | 6***0 | O-ring | |
49 | 6***7 | Bolt | |
50 | 6***6 | O-ring | |
51 | 6***1 | Flange | |
52 | 6***4 | Bolt | |
53 | 6***6 | Assy logic poppet | |
54 | 6***4 | Valve, arm regeneration | |
55 | 6***3 | Valve, check | |
56 | 6***7 | Spring | |
57 | 6***5 | Plug | |
58 | 6***5 | O-ring | |
59 | 6***0 | Valve, throttle | |
60 | 6***8 | Valve, throttle | |
61 | 6***5 | Plug | |
83 | 6***7 | O-ring | |
84 | 6***5 | O-ring | |
85 | 6***3 | O-ring |
Содержащиеся в справочниках-каталогах запасные части и детали не предлагаются к продаже, а носят исключительно информационный характер. В демо-версии артикулы (номера деталей) скрыты. Если вы хотите видеть полные оригинальные номера запчастей, вам необходимо зарегистрироваться на нашем сайте и приобрести подписку по интересующей вас конфигурации, после этого вы сможете встроить онлайн-каталоги на ваш сайт или пользоваться ими из личного кабинета нашего сайта. Обращаем ваше внимание на то, что каталоги содержат информацию об оригинальных заводских номерах и названиях запчастей. База по аналогам в данный момент не реализована. Поиска по VIN-номерам в онлайн-каталоге не предусмотрено. Выбор конкретного каталога осуществляется путем открытия нужного типа техники, марки, модели с учетом года выпуска или модификации.