Каталог запасных частей к технике: SANY SY380C. 12787861 Pipeline, main valve

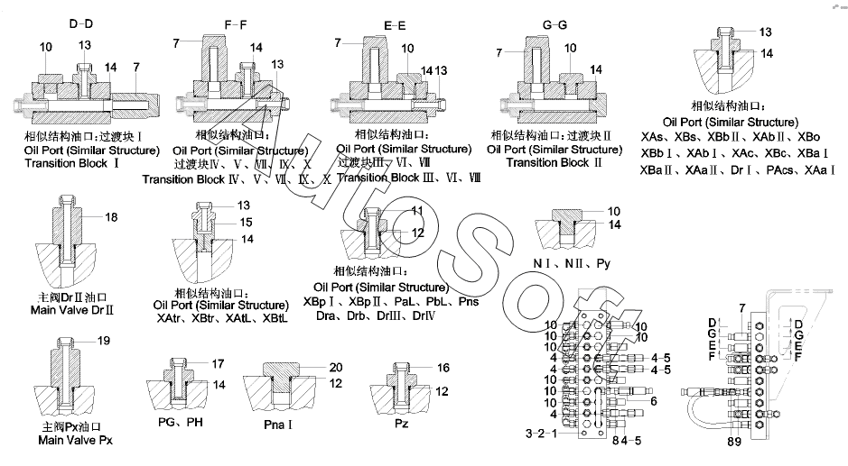
11
20
19
18
17
16
15
14
14
14
14
14
14
14
14
13
13
13
13
13
12
12
12
1
10
10
10
10
10
10
10
10
10
10
10
10
9
8
8
7
7
7
7
7
6
5
5
5
4
4
4
4
4
4
3
2
Позиция на иллюстрации | Заводской номер детали | Название детали | |
---|---|---|---|
1 | 1***9 | Spacer | |
2 | А***7 | Bolt | |
3 | А***2 | Washer | |
4 | В***6 | Fitting, Elbow | |
5 | В***5 | Fitting, Tee | |
6 | 1***8 | Connector - Relay | |
7 | 6***9 | Sensor, pressure | |
8 | В***4 | Connector, pipe | |
9 | В***6 | Valve - Shuttle | |
10 | А***7 | Plug | |
11 | А***5 | Connector | |
12 | В***7 | O-ring | |
13 | 1***6 | Connector | |
14 | В***9 | O-ring | |
15 | А***9 | Valve, one-way, throttle | |
16 | А***4 | Connector | |
17 | 6***9 | Connector, filter | |
18 | 1***9 | Pipe joint | |
19 | 1***1 | G3/8-m14 | |
20 | А***1 | Plug |
Содержащиеся в справочниках-каталогах запасные части и детали не предлагаются к продаже, а носят исключительно информационный характер. В демо-версии артикулы (номера деталей) скрыты. Если вы хотите видеть полные оригинальные номера запчастей, вам необходимо зарегистрироваться на нашем сайте и приобрести подписку по интересующей вас конфигурации, после этого вы сможете встроить онлайн-каталоги на ваш сайт или пользоваться ими из личного кабинета нашего сайта. Обращаем ваше внимание на то, что каталоги содержат информацию об оригинальных заводских номерах и названиях запчастей. База по аналогам в данный момент не реализована. Поиска по VIN-номерам в онлайн-каталоге не предусмотрено. Выбор конкретного каталога осуществляется путем открытия нужного типа техники, марки, модели с учетом года выпуска или модификации.