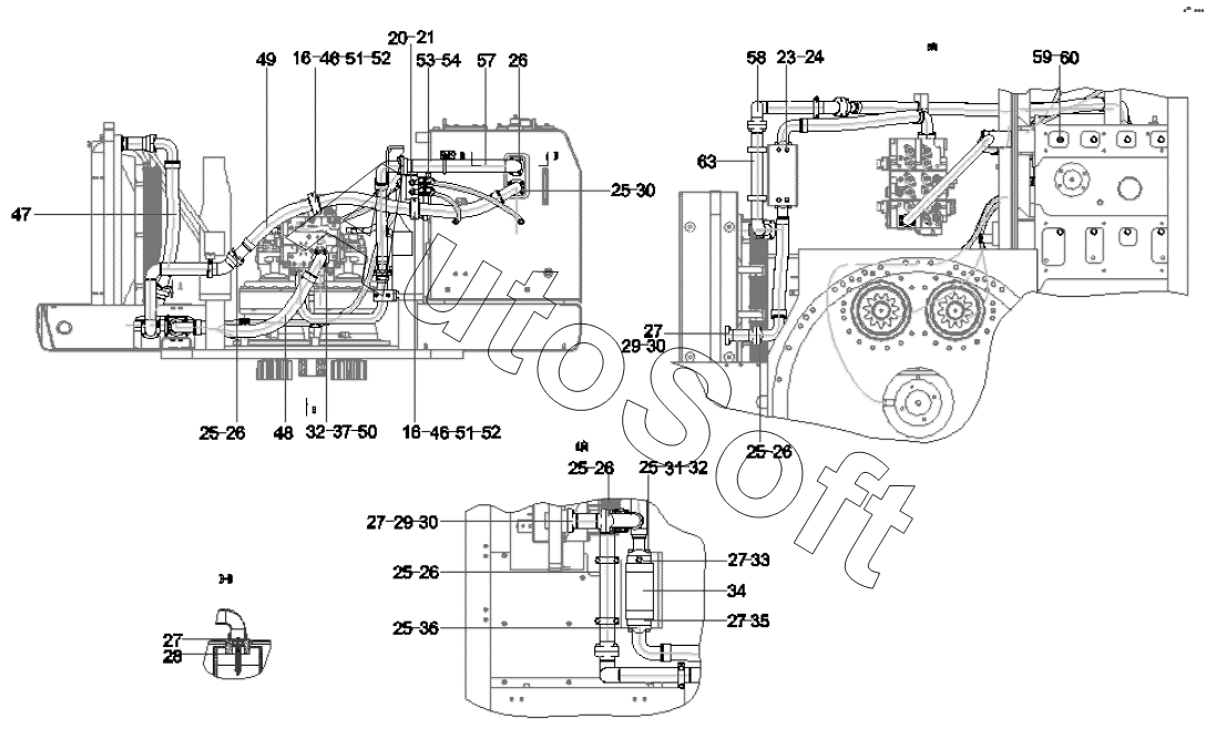
Каталог запасных частей к технике: SANY SY750C1. 13764914 Pipeline of return
47
63
60
59
58
57
54
53
52
52
51
51
50
49
48
20
37
36
35
34
33
32
32
31
29
29
28
27
27
27
27
27
21
| Позиция на иллюстрации | Заводской номер детали | Название детали | |
|---|---|---|---|
| 20 | A***2 | Connector | |
| 21 | B***6 | O-ring | |
| 27 | A***9 | O-ring | |
| 28 | 6***0 | Check valve | |
| 29 | 1***2 | Steel tube | |
| 31 | A***0 | SCREW | |
| 32 | 2***3 | Washer | |
| 33 | 1***6 | Flange | |
| 34 | 6***9 | Check valve | |
| 35 | 1***1 | Flange | |
| 36 | A***2 | Screw | |
| 37 | B***0 | Flange, slot | |
| 47 | 6***2 | Rubber hose | |
| 48 | 6***7 | Rubber hose | |
| 49 | 6***3 | Rubber hose | |
| 50 | A***6 | Screw | |
| 51 | 1***7 | Rubber cushion | |
| 52 | 1***3 | Pipe clip | |
| 53 | 1***4 | Rubber cushion | |
| 54 | A***0 | Throat collar | |
| 57 | 1***8 | Steel piple | |
| 58 | 1***9 | Steel piple | |
| 59 | 1***8 | Spacer sleeve | |
| 60 | A***2 | Bolt | |
| 63 | 1***8 | Steel piple |
Содержащиеся в справочниках-каталогах запасные части и детали не предлагаются к продаже, а носят исключительно информационный характер. В демо-версии артикулы (номера деталей) скрыты. Если вы хотите видеть полные оригинальные номера запчастей, вам необходимо зарегистрироваться на нашем сайте и приобрести подписку по интересующей вас конфигурации, после этого вы сможете встроить онлайн-каталоги на ваш сайт или пользоваться ими из личного кабинета нашего сайта. Обращаем ваше внимание на то, что каталоги содержат информацию об оригинальных заводских номерах и названиях запчастей. База по аналогам в данный момент не реализована. Поиска по VIN-номерам в онлайн-каталоге не предусмотрено. Выбор конкретного каталога осуществляется путем открытия нужного типа техники, марки, модели с учетом года выпуска или модификации.