Каталог запасных частей к технике: SANY SY750C1. 13763830 Bucket rod pipeline

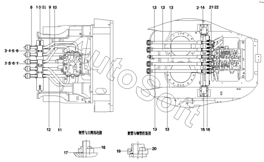
12
22
21
21
20
19
18
17
16
15
14
13
13
13
13
13
1
11
10
9
8
7
6
6
5
5
4
3
3
3
2
Позиция на иллюстрации | Заводской номер детали | Название детали | |
---|---|---|---|
1 | 1***5 | Steel tube support | |
2 | A***3 | Bolt | |
3 | A***8 | Washer 16GB1230 | |
4 | 1***4 | Double clamp | |
5 | 1***1 | Gasket | |
6 | A***6 | Bolt | |
7 | 1***3 | Single clamp | |
8 | 1***1 | Steel tube of bucket head | |
9 | 1***3 | Steel tube of bucket hod | |
10 | 1***2 | Steel tube of bucket hod | |
11 | 1***3 | Steel tube of arm head | |
12 | 1***5 | Steel tube of arm rod | |
13 | 6***2 | Rubber hose | |
14 | 1***1 | Steel tube support 2 | |
15 | 1***5 | Steel pipe bracket | |
16 | 1***7 | Support | |
17 | B***8 | O-ring | |
18 | A***3 | SCREW | |
19 | B***3 | Flange, SAE | |
20 | A***3 | SCREW | |
21 | A***2 | Bolt | |
22 | 1***7 | Mounting seat |
Содержащиеся в справочниках-каталогах запасные части и детали не предлагаются к продаже, а носят исключительно информационный характер. В демо-версии артикулы (номера деталей) скрыты. Если вы хотите видеть полные оригинальные номера запчастей, вам необходимо зарегистрироваться на нашем сайте и приобрести подписку по интересующей вас конфигурации, после этого вы сможете встроить онлайн-каталоги на ваш сайт или пользоваться ими из личного кабинета нашего сайта. Обращаем ваше внимание на то, что каталоги содержат информацию об оригинальных заводских номерах и названиях запчастей. База по аналогам в данный момент не реализована. Поиска по VIN-номерам в онлайн-каталоге не предусмотрено. Выбор конкретного каталога осуществляется путем открытия нужного типа техники, марки, модели с учетом года выпуска или модификации.