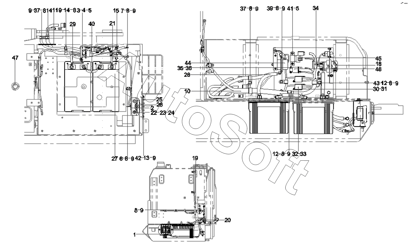
Каталог запасных частей к технике: SANY SY750C1. 13744654 Electric box harness assemble

36
26
27
28
29
30
31
32
33
34
35
25
37
37
39
40
41
42
43
44
45
46
47
12
12
2
3
4
5
5
6
7
8
8
8
8
8
8
8
8
8
9
9
9
9
9
9
9
9
9
9
10
11
1
13
14
14
15
18
19
20
21
22
23
24
Позиция на иллюстрации | Заводской номер детали | Название детали | |
---|---|---|---|
1 | 1***5 | Platform lamp support | |
2 | 1***6 | Jacket, rubber | |
3 | A***1 | Screw | |
4 | 2***1 | Washer | |
5 | 2***3 | Washer | |
6 | 6***2 | Accessories, metal, fixed, plug-in | |
7 | 6***3 | Clamp, harness | |
8 | A***5 | Bolt | |
9 | A***0 | Washer | |
10 | 1***0 | Toolbox harness | |
11 | 1***4 | Protective sleeve | |
12 | 6***5 | Clamp, harness | |
13 | A***7 | Bolt | |
14 | 6***6 | Clamp, harness | |
15 | 1***8 | Switch box | |
18 | 6***4 | Rotary switch | |
19 | 6***8 | Power supply harness | |
20 | 6***8 | Power cable | |
21 | 6***1 | Battery Terminal As - Negative | |
22 | A***2 | Bolt | |
23 | A***1 | Washer | |
24 | 2***3 | Washer | |
25 | 1***5 | Lamp cover | |
26 | 6***6 | Working light | |
27 | 6***1 | Battery | |
28 | 6***3 | Line, power | |
29 | 6***2 | Battery Terminal As - Positive | |
30 | 6***2 | Washer | |
31 | A***0 | Screw | |
32 | A***9 | Box, fuse | |
33 | A***1 | Fuse | |
34 | A***5 | BAND - NYLON | |
35 | A***8 | Screw | |
36 | 2***2 | Washer | |
37 | 6***4 | Clamp, harness | |
39 | 6***2 | Clip, wire | |
40 | 1***5 | Battery positive and negative | |
41 | A***0 | Screw | |
42 | 2***2 | Washer | |
43 | 1***9 | Clip | |
44 | 6***4 | Battery relay | |
45 | 6***5 | Starter relay | |
46 | 6***6 | Glow relay | |
47 | 1***7 | Fuel oil level sensor |
Содержащиеся в справочниках-каталогах запасные части и детали не предлагаются к продаже, а носят исключительно информационный характер. В демо-версии артикулы (номера деталей) скрыты. Если вы хотите видеть полные оригинальные номера запчастей, вам необходимо зарегистрироваться на нашем сайте и приобрести подписку по интересующей вас конфигурации, после этого вы сможете встроить онлайн-каталоги на ваш сайт или пользоваться ими из личного кабинета нашего сайта. Обращаем ваше внимание на то, что каталоги содержат информацию об оригинальных заводских номерах и названиях запчастей. База по аналогам в данный момент не реализована. Поиска по VIN-номерам в онлайн-каталоге не предусмотрено. Выбор конкретного каталога осуществляется путем открытия нужного типа техники, марки, модели с учетом года выпуска или модификации.