Каталог запасных частей к технике: SANY SSR120AC-8 (2022). Electrical system AS

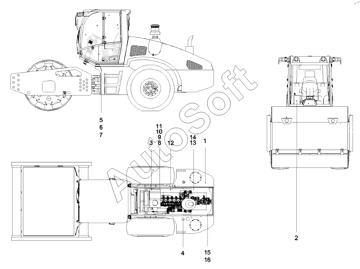
1
2
3
4
5
6
7
8
9
10
11
12
13
13
14
15
16
Позиция на иллюстрации | Заводской номер детали | Название детали | |
---|---|---|---|
1 | 1***1 | Power supply assembly | |
2 | 1***9 | Electrical control box assembly | |
3 | 1***6 | Electrical harness as of roller | |
4 | 6***9 | Liquid level sensor | |
5 | 6***1 | Horn, electrical | |
6 | A***2 | Nut | |
7 | A***6 | Bolt | |
8 | A***5 | Screw | |
9 | A***7 | Washer | |
10 | A***7 | Washer | |
11 | 6***4 | Clamp | |
12 | 6***2 | Clamp | |
13 | 6***9 | Clamp | |
14 | A***2 | Nylon bandage 4x150 | |
15 | 6***0 | Clip, fixing | |
16 | 6***1 | Clamp |
Содержащиеся в справочниках-каталогах запасные части и детали не предлагаются к продаже, а носят исключительно информационный характер. В демо-версии артикулы (номера деталей) скрыты. Если вы хотите видеть полные оригинальные номера запчастей, вам необходимо зарегистрироваться на нашем сайте и приобрести подписку по интересующей вас конфигурации, после этого вы сможете встроить онлайн-каталоги на ваш сайт или пользоваться ими из личного кабинета нашего сайта. Обращаем ваше внимание на то, что каталоги содержат информацию об оригинальных заводских номерах и названиях запчастей. База по аналогам в данный момент не реализована. Поиска по VIN-номерам в онлайн-каталоге не предусмотрено. Выбор конкретного каталога осуществляется путем открытия нужного типа техники, марки, модели с учетом года выпуска или модификации.