Каталог запасных частей к технике: SANY SR220C. Main winch assembly

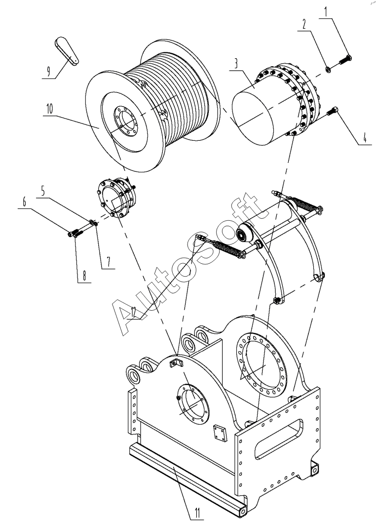
1
2
3
4
5
6
7
8
9
10
11
12
Позиция на иллюстрации | Заводской номер детали | Название детали | |
---|---|---|---|
1 | 2***5 | Bolt | |
2 | A***2 | Washer, 24 GB1230 | |
3 | 2***5 | REDUCER+ HEAD BEARING | |
4 | 2***5 | BOLT-SOCKET HEAD M24x60) | |
5 | A***7 | SPRING WASHER(20) | |
6 | A***0 | Screw | |
7 | A***8 | Washer 16GB1230 | |
8 | 2***6 | BOLT (M16x65) | |
9 | 1***6 | WEDGE | |
10 | 1***5 | LEBUS ROLLER | |
11 | 1***1 | MAIN WINCH SHEFT | |
12 | 1***8 | TAKE-UP ROLLER MAIN WINCH |
Содержащиеся в справочниках-каталогах запасные части и детали не предлагаются к продаже, а носят исключительно информационный характер. В демо-версии артикулы (номера деталей) скрыты. Если вы хотите видеть полные оригинальные номера запчастей, вам необходимо зарегистрироваться на нашем сайте и приобрести подписку по интересующей вас конфигурации, после этого вы сможете встроить онлайн-каталоги на ваш сайт или пользоваться ими из личного кабинета нашего сайта. Обращаем ваше внимание на то, что каталоги содержат информацию об оригинальных заводских номерах и названиях запчастей. База по аналогам в данный момент не реализована. Поиска по VIN-номерам в онлайн-каталоге не предусмотрено. Выбор конкретного каталога осуществляется путем открытия нужного типа техники, марки, модели с учетом года выпуска или модификации.