Каталог запасных частей к технике: SANY SYG5260THB 390C-10. BCB006911470 Hydraulic System, Cooling Unit

7
14
13
13
12
12
12
12
12
12
12
12
12
12
12
12
12
12
12
12
12
12
12
12
12
11
11
10
9
8
1
6
5
4
4
3
3
2
2
1
1
1
1
1
1
1
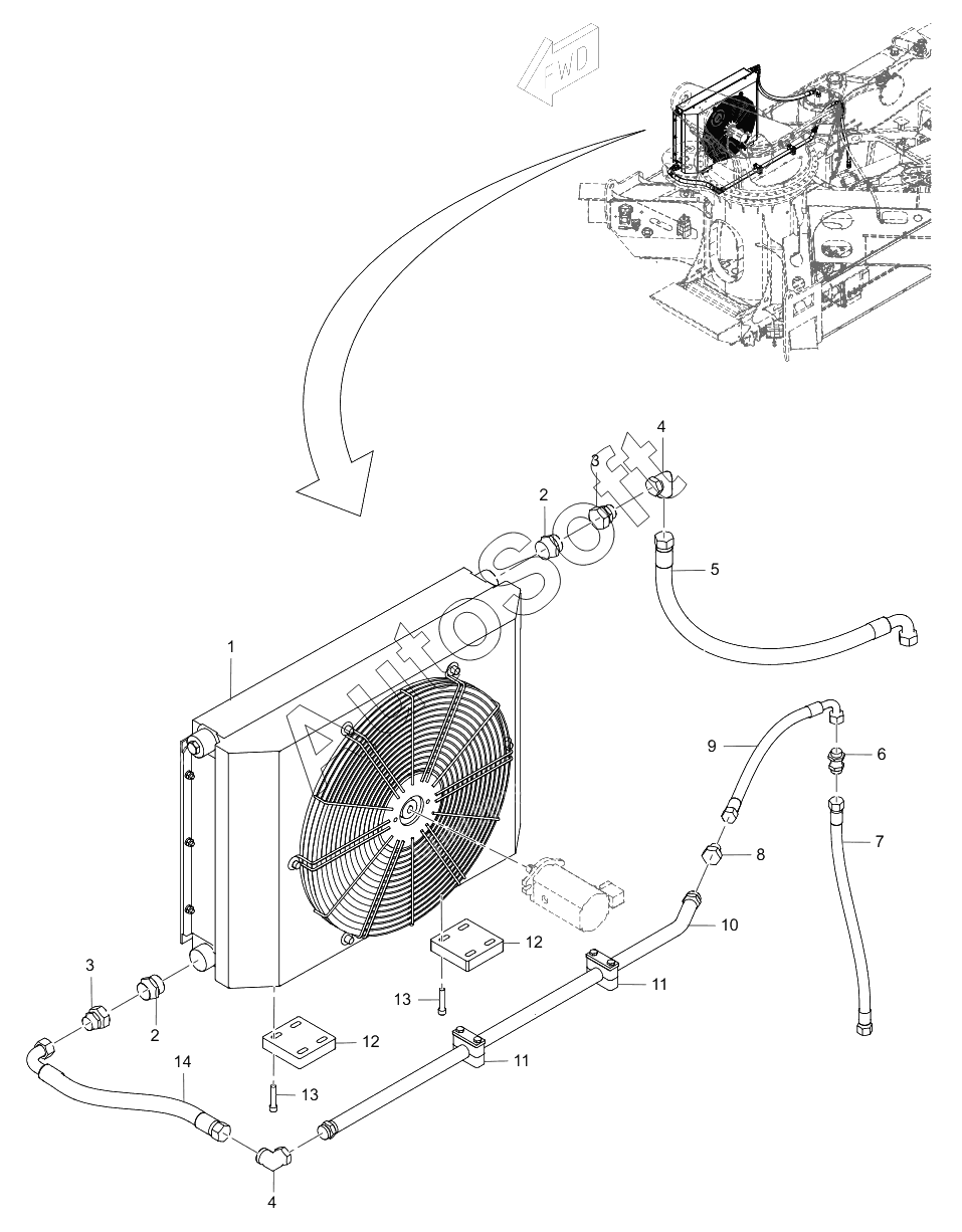
Позиция на иллюстрации | Заводской номер детали | Название детали | |
---|---|---|---|
1 | 6***1 | Wind radiator | |
1 | 6***C | Radiator | |
1 | 6***D | Wind radiator | |
1 | 6***A | Wind radiator | |
1 | 6***C | Wind radiator | |
1 | 6***E | Wind radiator | |
1 | 6***D | Radiator | |
1 | 6***A | Wind radiator | |
2 | A***0 | Adapter fitting | |
3 | B***4 | Connector, pipe | |
4 | B***8 | Connector, pipe | |
5 | B***5 | Hose | |
6 | B***7 | Connector, pipe | |
7 | B***6 | Hose assembly | |
8 | B***7 | Connector, pipe | |
9 | 1***3 | Hose, rubber | |
10 | B***5 | Oil tube | |
11 | 6***7 | Body, clamp | |
12 | 1***0 | Plate, backup | |
12 | 1***C | Nylon plate | |
12 | 1***A | Nylon plate | |
12 | 1***B | Nylon plate | |
12 | 1***C | Nylon plate | |
12 | 1***E | Nylon plate | |
12 | 1***D | Nylon plate | |
13 | A***9 | Screw | |
14 | B***2 | Hose |
Содержащиеся в справочниках-каталогах запасные части и детали не предлагаются к продаже, а носят исключительно информационный характер. В демо-версии артикулы (номера деталей) скрыты. Если вы хотите видеть полные оригинальные номера запчастей, вам необходимо зарегистрироваться на нашем сайте и приобрести подписку по интересующей вас конфигурации, после этого вы сможете встроить онлайн-каталоги на ваш сайт или пользоваться ими из личного кабинета нашего сайта. Обращаем ваше внимание на то, что каталоги содержат информацию об оригинальных заводских номерах и названиях запчастей. База по аналогам в данный момент не реализована. Поиска по VIN-номерам в онлайн-каталоге не предусмотрено. Выбор конкретного каталога осуществляется путем открытия нужного типа техники, марки, модели с учетом года выпуска или модификации.