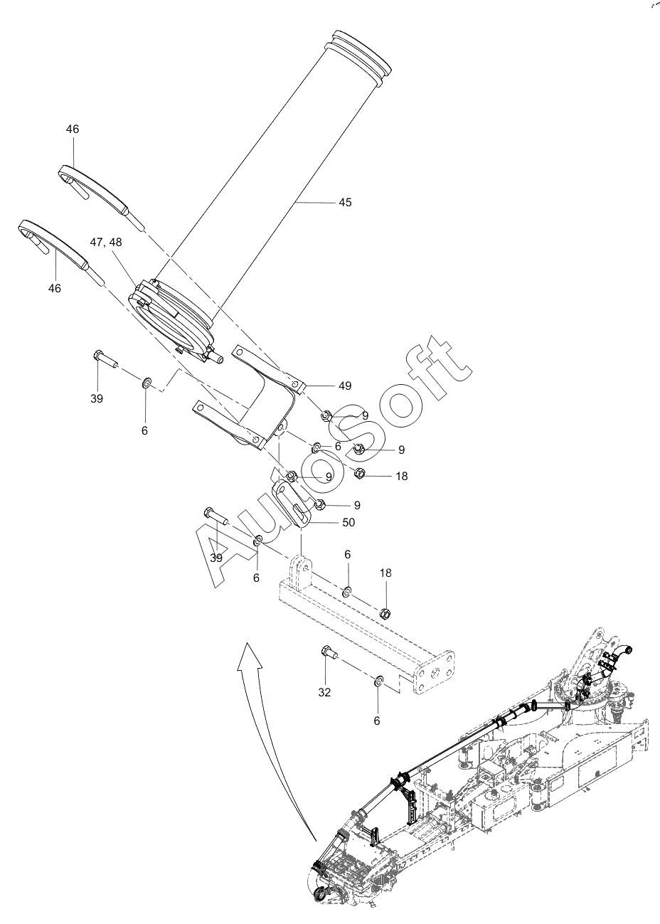
Каталог запасных частей к технике: SANY SYG5260THB 390C-10. BCB006823817 Platform Conveyor Piping
47
50
50
50
50
50
49
49
49
49
49
48
47
47
6
6
6
6
6
47
47
46
46
45
45
45
45
45
39
39
32
18
18
9
9
9
9
| Позиция на иллюстрации | Заводской номер детали | Название детали | |
|---|---|---|---|
| 6 | A***3 | Washer | |
| 9 | A***8 | Nut | |
| 18 | A***4 | Nut | |
| 32 | A***3 | Bolt | |
| 39 | A***1 | Bolt | |
| 45 | S***9 | Taper pipe | |
| 45 | S***C | Taper pipe | |
| 45 | S***C | Taper pipe | |
| 45 | S***E | Taper pipe | |
| 45 | S***D | Taper pipe | |
| 46 | A***7 | U-bolt | |
| 47 | 1***3 | Clamp | |
| 47 | 1***C | Clamp | |
| 47 | 1***C | Clamp | |
| 47 | 1***E | Clamp | |
| 47 | 1***D | Clamp | |
| 48 | 1***2 | 175-ring, seal | |
| 49 | B***6 | Upper bent seat | |
| 49 | B***C | Upper bent seat | |
| 49 | B***C | Upper bent seat | |
| 49 | B***E | Upper bent seat | |
| 49 | B***D | Upper bent seat | |
| 50 | 1***5 | Connection rod | |
| 50 | 1***C | Connection rod | |
| 50 | 1***C | Connection rod | |
| 50 | 1***E | Connection rod | |
| 50 | 1***D | Connection rod |
Содержащиеся в справочниках-каталогах запасные части и детали не предлагаются к продаже, а носят исключительно информационный характер. В демо-версии артикулы (номера деталей) скрыты. Если вы хотите видеть полные оригинальные номера запчастей, вам необходимо зарегистрироваться на нашем сайте и приобрести подписку по интересующей вас конфигурации, после этого вы сможете встроить онлайн-каталоги на ваш сайт или пользоваться ими из личного кабинета нашего сайта. Обращаем ваше внимание на то, что каталоги содержат информацию об оригинальных заводских номерах и названиях запчастей. База по аналогам в данный момент не реализована. Поиска по VIN-номерам в онлайн-каталоге не предусмотрено. Выбор конкретного каталога осуществляется путем открытия нужного типа техники, марки, модели с учетом года выпуска или модификации.