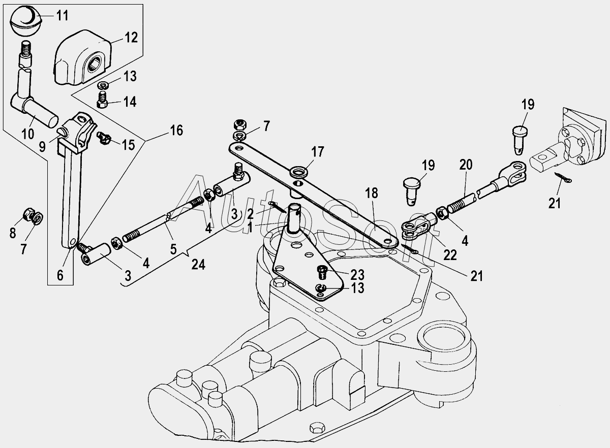
Каталог запасных частей к технике: ЧТЗ Кран ТР-20, ТР-12 (2006). Управление редуктором отбора мощности
12
24
23
22
21
21
20
19
19
18
17
16
15
14
13
13
48-13-3СП
11
10
9
9
7
7
6
5
8
4
4
4
3
3
2
1
| Позиция на иллюстрации | Заводской номер детали | Название детали | |
|---|---|---|---|
| 48-13-3СП | 4***П | Управление редуктором | |
| 1 | 4***П | Кронштейн | |
| 2 | Ш***9 | Шплинт | |
| 3 | 7***П | Муфта | |
| 4 | Г***9 | Гайка М12х1,25-7Н.6.019 | |
| 5 | 4***1 | Тяга | |
| 6 | 4***П | Рычаг | |
| 7 | Ш***9 | Шайба 12.ОТ.65Г.09 | |
| 8 | Г***9 | Гайка М12х1,25-7Н.6.019 | |
| 9 | 3***6 | Шпонка | |
| 9 | Ш***5 | Шпонка 5х7,5 | |
| 10 | 4***П | Рукоятка | |
| 11 | 1***П | Рукоятка | |
| 12 | 2***П | Корпус акселератора | |
| 13 | Ш***9 | Шайба 10.ОТ.65Г.09 | |
| 14 | Б***9 | Болт | |
| 15 | Б***9 | Болт | |
| 16 | 4***П | Корпус | |
| 17 | 3***1 | Шайба | |
| 18 | 4***П | Рычаг | |
| 19 | 1***7 | Палец | |
| 20 | 2***П | Тяга | |
| 21 | Ш***9 | Шплинт | |
| 22 | 1***1 | Вилка | |
| 23 | Б***9 | Болт М10х35.58.019 | |
| 24 | 4***П | Тяга |
Содержащиеся в справочниках-каталогах запасные части и детали не предлагаются к продаже, а носят исключительно информационный характер. В демо-версии артикулы (номера деталей) скрыты. Если вы хотите видеть полные оригинальные номера запчастей, вам необходимо зарегистрироваться на нашем сайте и приобрести подписку по интересующей вас конфигурации, после этого вы сможете встроить онлайн-каталоги на ваш сайт или пользоваться ими из личного кабинета нашего сайта. Обращаем ваше внимание на то, что каталоги содержат информацию об оригинальных заводских номерах и названиях запчастей. База по аналогам в данный момент не реализована. Поиска по VIN-номерам в онлайн-каталоге не предусмотрено. Выбор конкретного каталога осуществляется путем открытия нужного типа техники, марки, модели с учетом года выпуска или модификации.