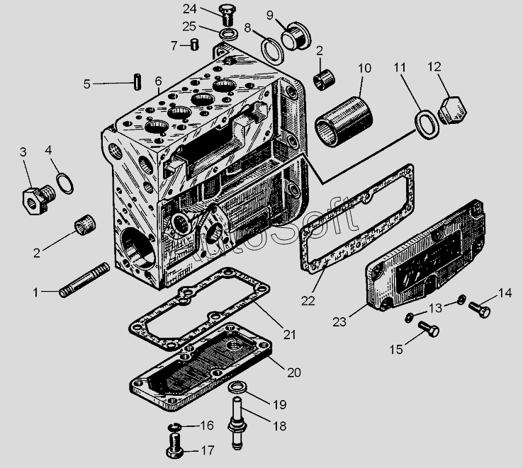
Каталог запасных частей к технике: ЧТЗ Т-10М (2012). Блок топливного насоса
13
25
24
23
22
21
20
19
18
17
16
15
14
1
12
11
10
9
8
7
6
5
4
3
2
2
| Позиция на иллюстрации | Заводской номер детали | Название детали | |
|---|---|---|---|
| 1 | Ш***9 | Шпилька 2М8x1,25-3p/1-6g38.66.029 | |
| 2 | 6***4 | Втулка | |
| 3 | 7***5 | Штуцер | |
| 4 | 4***0 | Кольцо | |
| 5 | 6***9 | Трубка | |
| 6 | 6***2 | Блок топливного насоса | |
| 7 | 3***8 | Штифт | |
| 8 | 3***0 | Кольцо 24-30 | |
| 9 | 7***3 | Пробка | |
| 10 | 6***5 | Втулка | |
| 11 | 2***3 | Кольцо | |
| 12 | 7***1 | Пробка | |
| 13 | Ш***9 | Шайба 8Т.65Г.09 | |
| 14 | 2***7 | Болт | |
| 15 | Б***9 | Болт М8-6gx12.88.35.019 | |
| 16 | Ш***9 | Шайба 10.ОТ.65Г.09 | |
| 17 | Б***9 | Болт М10x20.58.019 | |
| 18 | 5***П | Трубка | |
| 19 | 7***2 | Кольцо | |
| 20 | 6***2 | Крышка | |
| 21 | 4***1 | Прокладка | |
| 22 | 4***1 | Прокладка | |
| 23 | 1***2 | Крышка | |
| 24 | 7***1 | Пробка | |
| 25 | 5***8 | Кольцо |
Содержащиеся в справочниках-каталогах запасные части и детали не предлагаются к продаже, а носят исключительно информационный характер. В демо-версии артикулы (номера деталей) скрыты. Если вы хотите видеть полные оригинальные номера запчастей, вам необходимо зарегистрироваться на нашем сайте и приобрести подписку по интересующей вас конфигурации, после этого вы сможете встроить онлайн-каталоги на ваш сайт или пользоваться ими из личного кабинета нашего сайта. Обращаем ваше внимание на то, что каталоги содержат информацию об оригинальных заводских номерах и названиях запчастей. База по аналогам в данный момент не реализована. Поиска по VIN-номерам в онлайн-каталоге не предусмотрено. Выбор конкретного каталога осуществляется путем открытия нужного типа техники, марки, модели с учетом года выпуска или модификации.