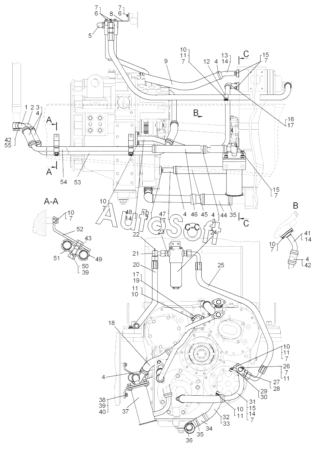
Каталог запасных частей к технике: ЧТЗ Бульдозер Б11 (2010). Гидросистема питания, управления и смазки трансмиссии
8
47
31
16
48
13
1
19
54
53
36
41
32
2
37
24
12
4
4
4
4
4
4
35
35
7
7
7
7
7
7
7
7
7
7
7
7
11
11
11
11
11
39
39
40
55
27
23
5
49
10
10
10
10
10
10
10
10
26
38
43
15
15
15
50
28
42
42
30
52
29
51
6
6
33
14
14
14
14
17
17
17
25
34
3
3
45
46
18
9
44
20
| Позиция на иллюстрации | Заводской номер детали | Название детали | |
|---|---|---|---|
| 64-60-13-02СП | 6***П | Гидросистема питания, управления и смазки ГМТ | |
| 1 | 6***П | Труба | |
| 2 | 6***П | Труба | |
| 3 | 7***2 | Рукав | |
| 4 | Х***2 | Хомут червячный | |
| 5 | И***р | Электрический индикатор N7 | |
| 6 | Б***9 | Болт | |
| 7 | Ш***9 | Шайба 10.ОТ.65Г.09 | |
| 8 | 6***3 | Угольник | |
| 9 | 7***1 | Рукав | |
| 10 | Б***9 | Болт | |
| 11 | Ш***9 | Шайба 10.01.10.019 | |
| 12 | 2***5 | Хомут | |
| 13 | 6***П | Труба | |
| 14 | 7***4 | Прокладка | |
| 15 | Г***9 | Гайка М10х1,25-6Н.6.019 | |
| 16 | 6***П | Труба | |
| 17 | 7***5 | Прокладка | |
| 18 | 7***1 | Рукав | |
| 19 | 6***П | Труба | |
| 20 | 5***П | Рукав 20 | |
| 20 | 5***П | Рукав 20 | |
| 23 | Ш***1 | Штуцер 100520.1 с уплотнительным кольцом | |
| 24 | F***0 | Фильтр FMM050 3 BADM60N P03 | |
| 25 | Р***0 | РВД20-84-1500-М30х2(12)90(Г=70)/М30Х2(12)90(Г=70)-УТ | |
| 26 | Б***9 | Болт М10-6gх70.58.019 | |
| 27 | 7***3 | Штуцер | |
| 28 | 4***4 | Кольцо | |
| 29 | 7***5 | Муфта угловая | |
| 30 | 0***5 | Кольцо 039-045-36-2-5 | |
| 31 | 6***П | Труба | |
| 32 | 6***П | Труба | |
| 33 | 7***9 | Прокладка | |
| 34 | 7***8 | Рукав | |
| 35 | Х***2 | Хомут червячный | |
| 36 | 6***П | Труба | |
| 37 | 6***П | Фильтр | |
| 38 | Б***9 | Болт | |
| 39 | Ш***9 | Шайба 12.ОТ.65Г.019 | |
| 40 | Ш***9 | Шайба | |
| 41 | 6***П | Труба | |
| 42 | 2***4 | Кольцо | |
| 43 | 4***2 | Втулка | |
| 44 | 7***9 | Рукав | |
| 45 | 7***4 | Рукав | |
| 46 | 7***1 | Рукав | |
| 47 | 6***П | Труба | |
| 48 | 6***П | Труба | |
| 49 | 7***5 | Прокладка | |
| 50 | Г***9 | Гайка | |
| 51 | 5***0 | Прижим | |
| 52 | 6***П | Кронштейн | |
| 53 | 6***4 | Труба | |
| 54 | 6***3 | Труба | |
| 55 | 7***5 | Штуцер |
Содержащиеся в справочниках-каталогах запасные части и детали не предлагаются к продаже, а носят исключительно информационный характер. В демо-версии артикулы (номера деталей) скрыты. Если вы хотите видеть полные оригинальные номера запчастей, вам необходимо зарегистрироваться на нашем сайте и приобрести подписку по интересующей вас конфигурации, после этого вы сможете встроить онлайн-каталоги на ваш сайт или пользоваться ими из личного кабинета нашего сайта. Обращаем ваше внимание на то, что каталоги содержат информацию об оригинальных заводских номерах и названиях запчастей. База по аналогам в данный момент не реализована. Поиска по VIN-номерам в онлайн-каталоге не предусмотрено. Выбор конкретного каталога осуществляется путем открытия нужного типа техники, марки, модели с учетом года выпуска или модификации.