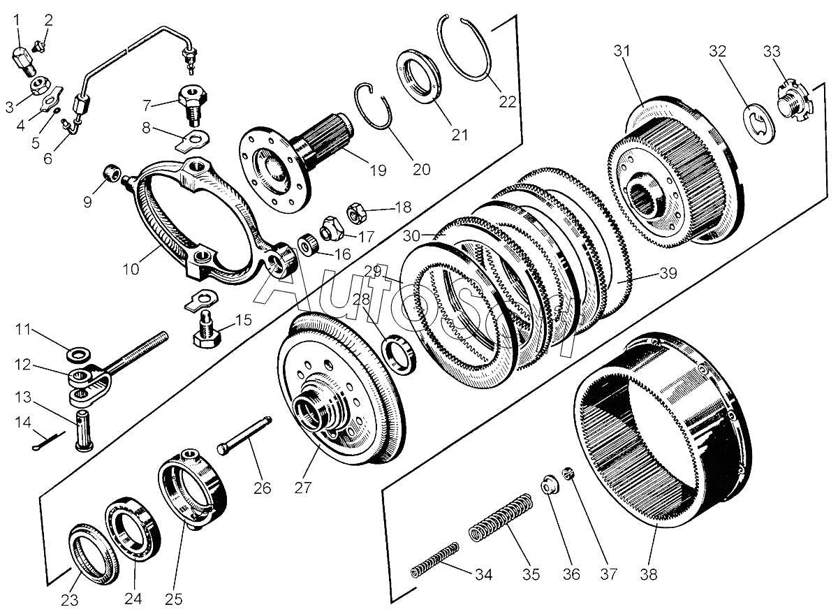
Каталог запасных частей к технике: ЧТЗ Бульдозер Б14 (2010). Бортовые фрикционы
30
21
22
23
24
25
26
27
28
29
20
31
32
33
34
35
36
37
38
39
10
1
2
3
4
5
6
7
8
9
11
12
13
14
15
16
17
18
19
| Позиция на иллюстрации | Заводской номер детали | Название детали | |
|---|---|---|---|
| 24-16-101-01СП | 2***П | Фрикцион бортовой правый | |
| 24-16-102-01СП | 2***П | Фрикцион бортовой левый | |
| 1 | 7***2 | Штуцер | |
| 2 | М***6 | Масленка | |
| 3 | 7***4 | Гайка | |
| 4 | 3***3 | Шайба | |
| 5 | 4***4 | Кольцо | |
| 6 | 1***П | Трубка | |
| 7 | 1***0 | Палец | |
| 8 | 3***7 | Шайба | |
| 9 | 1***3 | Наконечник рычага | |
| 10 | 1***2 | Рычаг | |
| 11 | 3***1 | Шайба | |
| 12 | 1***5 | Вилка | |
| 13 | 7***1 | Ось | |
| 14 | Ш***2 | Шплинт | |
| 15 | 1***6 | Палец | |
| 16 | 1***4 | Седло | |
| 17 | 1***7 | Гайка | |
| 18 | 7***7 | Гайка | |
| 19 | 2***4 | Полуось | |
| 20 | 7***4 | Кольцо | |
| 21 | 2***3 | Гайка | |
| 22 | 7***3 | Кольцо | |
| 23 | 2***2 | Отражатель | |
| 24 | 1***0 | Подшипник 120 | |
| 24 | 4***0 | Подшипник шариковый радиально-упорный однорядный | |
| 25 | 2***1 | Корпус подшипника | |
| 26 | 1***7 | Палец | |
| 27 | 2***0 | Тарелка | |
| 28 | 2***4 | Кольцо | |
| 29 | 1***1 | Диск | |
| 30 | 5***П | Фрикцион бортовой | |
| 31 | 2***5 | Барабан внутренний | |
| 32 | 7***2 | Пластина | |
| 33 | 2***1 | Пробка | |
| 34 | 3***8 | Пружина внутренняя | |
| 35 | 3***0 | Пружина наружная | |
| 36 | 1***7 | Тарелка | |
| 37 | 1***8 | Сухарь | |
| 38 | 2***5 | Барабан наружный | |
| 39 | 2***П | Диск |
Содержащиеся в справочниках-каталогах запасные части и детали не предлагаются к продаже, а носят исключительно информационный характер. В демо-версии артикулы (номера деталей) скрыты. Если вы хотите видеть полные оригинальные номера запчастей, вам необходимо зарегистрироваться на нашем сайте и приобрести подписку по интересующей вас конфигурации, после этого вы сможете встроить онлайн-каталоги на ваш сайт или пользоваться ими из личного кабинета нашего сайта. Обращаем ваше внимание на то, что каталоги содержат информацию об оригинальных заводских номерах и названиях запчастей. База по аналогам в данный момент не реализована. Поиска по VIN-номерам в онлайн-каталоге не предусмотрено. Выбор конкретного каталога осуществляется путем открытия нужного типа техники, марки, модели с учетом года выпуска или модификации.