Каталог запасных частей к технике: ЧТЗ Т-170М-01. Системы охлаждения
26
31
30
30
29
29
29
28
28
27
31
25
24
23
23
23
23
23
22
21
37
43
43
42
41
41
40
39
38
20
36
36
35
34
33
33
32
32
2
2
8
7
7
6
5
4
3
2
2
2
2
8
2
1
14
20
20
20
20
19
18
17
16
15
14
13
13
12
11
10
10
9
9
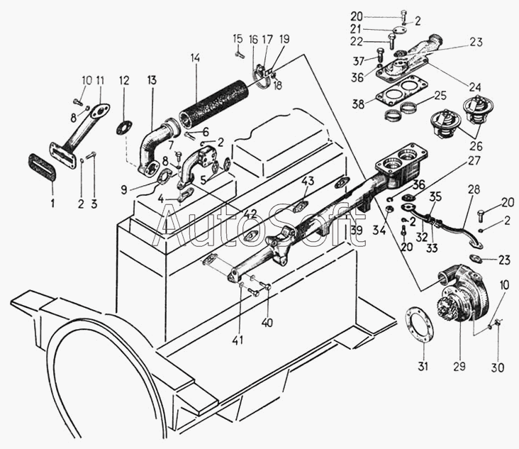
| Позиция на иллюстрации | Заводской номер детали | Название детали | |
|---|---|---|---|
| 51-08-116СП | 5***П | Труба | |
| 51-08-116СП | 5***П | Труба | |
| 51-08-1СП | 5***П | Система охлаждения дизеля с пусковым двигателем | |
| 51-08-3СП | 5***П | Система охлаждения дизеля с электростартерной системой пуска | |
| 700-41-2230СП | 7***П | Хомут | |
| 700-41-2230СП | 7***П | Хомут | |
| 1 | 4***2 | Прокладка | |
| 2 | Ш***9 | Шайба 8Т 65Г 09 | |
| 2 | Ш***0 | Шайба 8Т 65Г 10 | |
| 2 | Ш***1 | Шайба 8Т 65Г 11 | |
| 3 | Б***9 | Болт М8х30.58.019 | |
| 4 | 4***6 | Прокладка | |
| 5 | 4***7 | Прокладка | |
| 6 | Б***9 | Болт М8х45.58.019 | |
| 7 | М***9 | М10х40.58.019 | |
| 7 | М***9 | М10х40.58.019 | |
| 8 | Ш***9 | Шайба 10 ОТ 65Г 09 | |
| 8 | Ш***0 | Шайба 10 ОТ 65Г 10 | |
| 9 | 4***2 | Прокладка | |
| 9 | 4***2 | Прокладка | |
| 10 | М***9 | М10-6gх80.58.019 | |
| 11 | 5***6 | Труба | |
| 12 | 4***5 | Прокладка | |
| 13 | 5***9 | Труба | |
| 13 | 5***0 | Труба | |
| 14 | 4***1 | Рукав | |
| 14 | 4***1 | Рукав | |
| 15 | 7***6 | Болт | |
| 16 | 7***4 | Лента хомута | |
| 17 | 3***1 | Накладка | |
| 18 | Г***9 | Гайка М8.6.019 | |
| 19 | 7***9 | Шайба стопорная | |
| 20 | Б***9 | Болт М8х20.58.019 | |
| 20 | Б***0 | Болт М8х20.58.020 | |
| 20 | Б***1 | Болт М8х20.58.021 | |
| 21 | 2***9 | Заглушка | |
| 22 | М***9 | М12х1,25х40.58.019 | |
| 23 | 7***9 | Прокладка | |
| 23 | 7***0 | Прокладка | |
| 23 | 7***1 | Прокладка | |
| 24 | 5***3 | Крышка | |
| 25 | 5***8 | Кольцо прижимное | |
| 26 | Т***2 | Термостат ТС 108-130.6100-02 | |
| 27 | 4***1 | Прокладка | |
| 28 | 1***П | Труба | |
| 28 | 1***П | Труба | |
| 29 | 1***П | Насос | |
| 29 | 1***П | Насос | |
| 30 | 7***9 | Гайка | |
| 30 | 7***0 | Гайка | |
| 31 | 7***4 | Прокладка | |
| 31 | 7***5 | Прокладка | |
| 32 | 2***П | Труба | |
| 32 | 2***П | Труба | |
| 33 | 4***4 | Рукав | |
| 33 | 4***4 | Рукав | |
| 34 | 3***0 | Гайка | |
| 35 | 7***П | Хомут | |
| 36 | Ш***9 | Шайба 12 ОТ 65Г 09 | |
| 37 | 7***3 | Болт | |
| 38 | 4***9 | Прокладка | |
| 39 | 5***7 | Труба водоотводная | |
| 40 | М***9 | М10х30.58.019 | |
| 41 | 4***9 | Кольцо | |
| 41 | 4***9 | Кольцо | |
| 42 | 8***8 | Труба сливная | |
| 43 | 4***5 | Прокладка | |
| 43 | 4***5 | Прокладка |
Содержащиеся в справочниках-каталогах запасные части и детали не предлагаются к продаже, а носят исключительно информационный характер. В демо-версии артикулы (номера деталей) скрыты. Если вы хотите видеть полные оригинальные номера запчастей, вам необходимо зарегистрироваться на нашем сайте и приобрести подписку по интересующей вас конфигурации, после этого вы сможете встроить онлайн-каталоги на ваш сайт или пользоваться ими из личного кабинета нашего сайта. Обращаем ваше внимание на то, что каталоги содержат информацию об оригинальных заводских номерах и названиях запчастей. База по аналогам в данный момент не реализована. Поиска по VIN-номерам в онлайн-каталоге не предусмотрено. Выбор конкретного каталога осуществляется путем открытия нужного типа техники, марки, модели с учетом года выпуска или модификации.