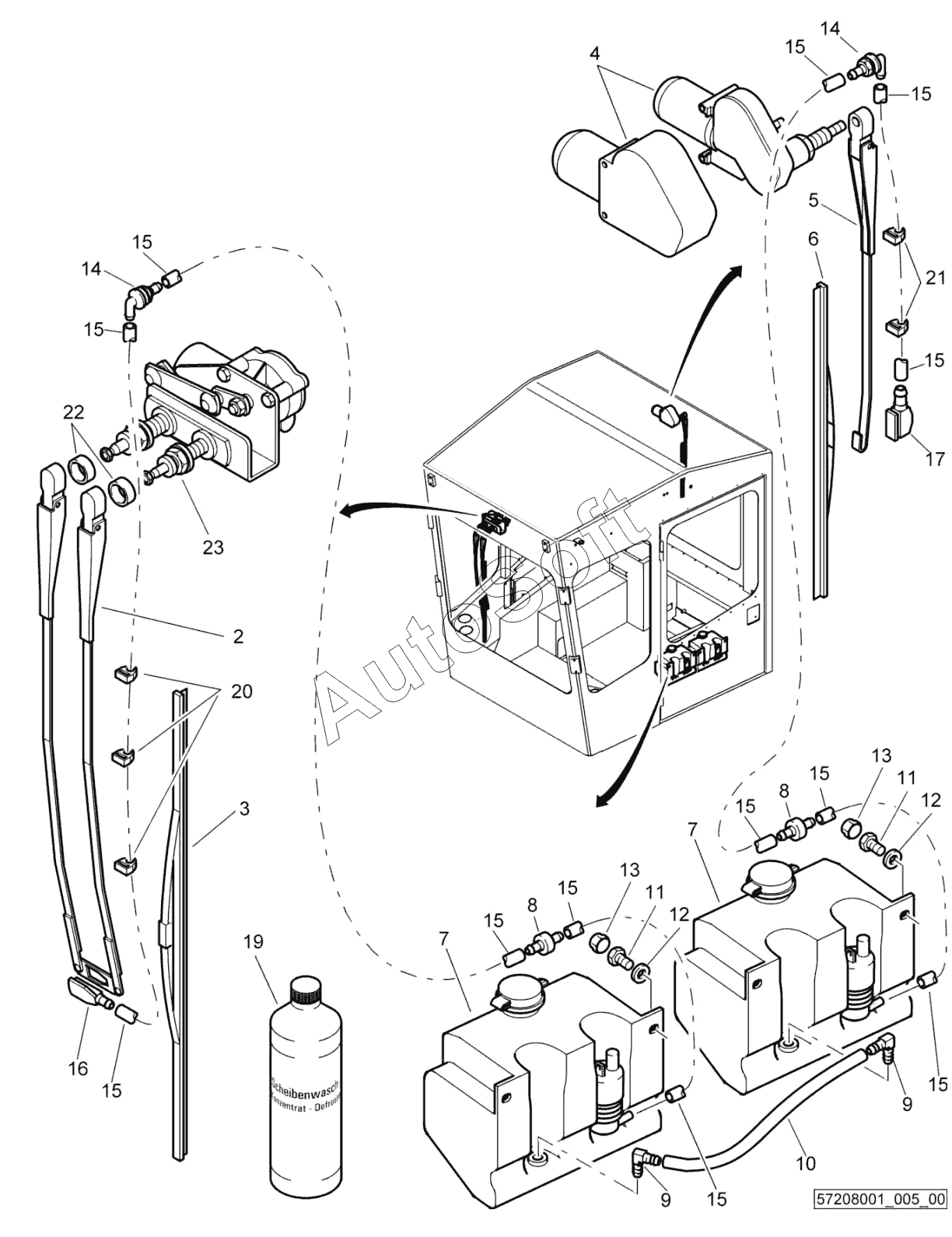
Каталог запасных частей к технике: BOMAG BC772RB-2 (2017). Cab
12
12
23
22
21
20
19
17
16
15
15
15
15
15
15
15
15
15
15
15
15
14
14
13
13
2
11
11
10
9
9
8
8
7
7
6
5
4
3
| Позиция на иллюстрации | Заводской номер детали | Название детали | |
|---|---|---|---|
| 2 | 0***8 | Arm,wiper | |
| 3 | 0***9 | Blade,wiper | |
| 4 | 0***9 | Motor,wiper | |
| 5 | 0***8 | Arm,wiper | |
| 6 | 0***4 | Blade,wiper | |
| 7 | 0***2 | Container with 1 pump | |
| 8 | 0***5 | check valve | |
| 9 | 0***7 | Angular union | |
| 10 | 0***0 | Hose | |
| 11 | 0***4 | Hexagon bolt | |
| 12 | 0***7 | Washer | |
| 13 | 0***5 | Protection cap | |
| 14 | 3***9 | Coupling | |
| 15 | 0***8 | Hose | |
| 16 | 3***3 | Spray nozzle | |
| 17 | 3***9 | Nozzle element | |
| 19 | 0***1 | Anti-freeze agent | |
| 20 | 3***0 | Terminal | |
| 21 | 3***8 | Terminal | |
| 22 | 5***1 | Spacer piece | |
| 23 | 0***7 | Motor,wiper |
Содержащиеся в справочниках-каталогах запасные части и детали не предлагаются к продаже, а носят исключительно информационный характер. В демо-версии артикулы (номера деталей) скрыты. Если вы хотите видеть полные оригинальные номера запчастей, вам необходимо зарегистрироваться на нашем сайте и приобрести подписку по интересующей вас конфигурации, после этого вы сможете встроить онлайн-каталоги на ваш сайт или пользоваться ими из личного кабинета нашего сайта. Обращаем ваше внимание на то, что каталоги содержат информацию об оригинальных заводских номерах и названиях запчастей. База по аналогам в данный момент не реализована. Поиска по VIN-номерам в онлайн-каталоге не предусмотрено. Выбор конкретного каталога осуществляется путем открытия нужного типа техники, марки, модели с учетом года выпуска или модификации.