Каталог запасных частей к технике: BOMAG BW216D-40 (2007). Engine

50
32
33
34
35
44
45
45
46
47
48
49
49
49
31
51
52
52
53
53
54
55
56
57
58
59
59
60
60
13
13
2
3
4
5
6
7
9
10
10
11
12
12
1
14
15
15
16
17
26
27
28
29
30
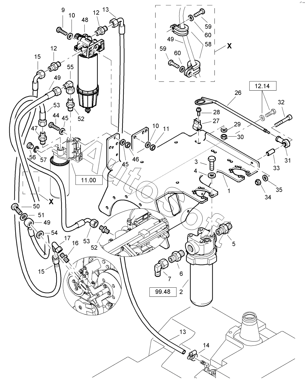
Позиция на иллюстрации | Заводской номер детали | Название детали | |
---|---|---|---|
1 | 5***6 | Holder | |
2 | 0***6 | Filter | |
3 | 0***4 | Hexagon bolt | |
4 | 0***4 | Spring washer | |
5 | 0***0 | Double-ended union | |
6 | 0***1 | Double-ended union | |
7 | 0***7 | Angular union | |
9 | 0***2 | Hexagon bolt | |
10 | 0***6 | Spring washer | |
11 | 0***6 | Hexagon nut | |
12 | 0***0 | Socket | |
13 | 0***2 | Hose assy.ac.wn3111 | |
14 | 0***4 | Hose clip | |
15 | 0***7 | Hose assy.ac.WN3111 | |
16 | 0***0 | Socket | |
17 | 0***5 | Union extension | |
26 | 5***4 | Rods | |
27 | 0***0 | Clamping spring | |
28 | 0***2 | Lens head screw | |
29 | 0***9 | Washer | |
30 | 0***8 | Hexagon nut | |
31 | 0***8 | Clevis joint | |
32 | 0***2 | Socket-head cap screw | |
33 | 5***6 | Spacer piece | |
34 | 0***3 | Hexagon nut | |
35 | 0***7 | Washer | |
44 | 0***6 | Hexagon bolt | |
45 | 0***4 | Spring washer | |
46 | 0***3 | Safety nut | |
47 | 0***9 | Double-ended union | |
48 | 0***0 | Fuel prefilter | |
49 | 0***9 | Hose assy.ac.WN3111 | |
50 | 0***8 | Hollow screw | |
51 | 0***8 | Sealing ring | |
52 | 0***2 | Socket | |
53 | 0***5 | Hose assy.ac.wn3111 | |
54 | 0***6 | Seal ring | |
55 | 0***4 | Socket | |
56 | 0***6 | Screw plug | |
57 | 0***8 | Sealing ring | |
58 | 0***1 | Tube clamp | |
59 | 0***8 | Hexagon bolt | |
60 | 0***4 | Spring washer |
Содержащиеся в справочниках-каталогах запасные части и детали не предлагаются к продаже, а носят исключительно информационный характер. В демо-версии артикулы (номера деталей) скрыты. Если вы хотите видеть полные оригинальные номера запчастей, вам необходимо зарегистрироваться на нашем сайте и приобрести подписку по интересующей вас конфигурации, после этого вы сможете встроить онлайн-каталоги на ваш сайт или пользоваться ими из личного кабинета нашего сайта. Обращаем ваше внимание на то, что каталоги содержат информацию об оригинальных заводских номерах и названиях запчастей. База по аналогам в данный момент не реализована. Поиска по VIN-номерам в онлайн-каталоге не предусмотрено. Выбор конкретного каталога осуществляется путем открытия нужного типа техники, марки, модели с учетом года выпуска или модификации.