Каталог запасных частей к технике: BOMAG BW216D-40 (2007). Rear Frame

44
35
36
37
38
39
40
41
42
43
34
45
45
46
47
47
48
48
49
49
49
49
50
50
50
51
51
52
17
17
2
3
4
5
6
7
7
8
12
12
13
13
1
19
22
23
24
25
26
27
33
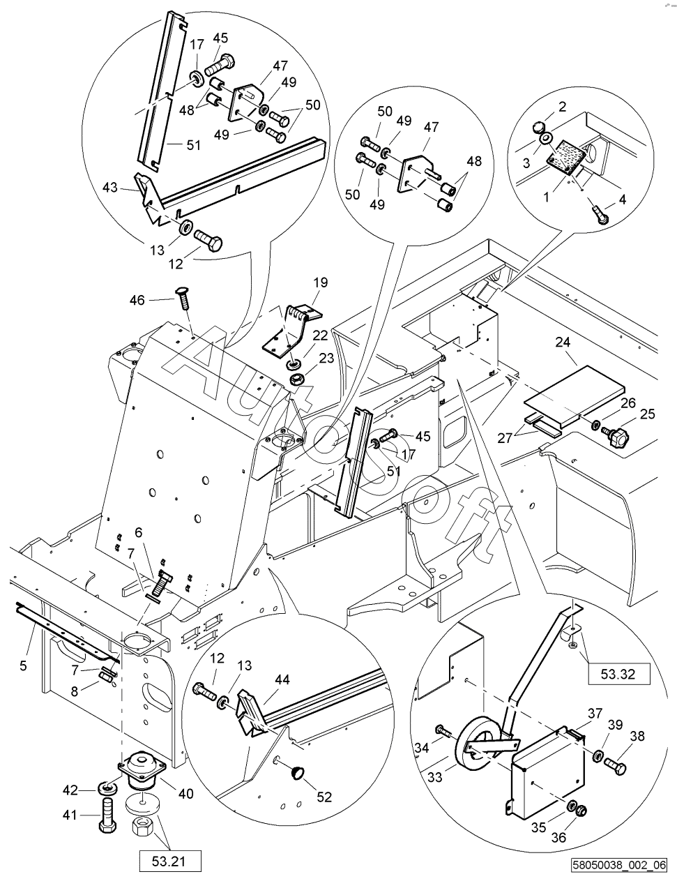
Позиция на иллюстрации | Заводской номер детали | Название детали | |
---|---|---|---|
1 | 5***6 | Rubber mat | |
2 | 0***3 | Safety nut | |
3 | 0***4 | Spring washer | |
4 | 0***4 | Hexagon bolt | |
5 | 5***0 | Plate | |
6 | 0***2 | Hexagon bolt | |
7 | 0***4 | Spring washer | |
8 | 0***3 | Hexagon nut | |
12 | 0***4 | Hexagon bolt | |
13 | 0***4 | Spring washer | |
17 | 0***4 | Spring washer | |
19 | 5***6 | Hinge | |
22 | 0***6 | Spring washer | |
23 | 0***6 | Hexagon nut | |
24 | 5***8 | Cover | |
25 | 0***1 | Star knob | |
26 | 0***4 | Spring washer | |
27 | 0***6 | Expanded rubber | |
33 | 0***6 | Screw on-belt rewinder | |
34 | 0***2 | Countersunk screw | |
35 | 0***3 | Spring washer | |
36 | 0***8 | Safety nut | |
37 | 5***4 | Box | |
38 | 0***0 | Hexagon bolt | |
39 | 0***4 | Spring washer | |
40 | 0***8 | Rubber buffer | |
41 | 0***0 | Hexagon bolt | |
42 | 0***6 | Spring washer | |
43 | 5***0 | Brush | |
44 | 5***1 | Brush | |
45 | 0***8 | Hexagon bolt | |
46 | 0***2 | Flat head screw | |
47 | 5***5 | Holder | |
48 | 5***8 | Tube | |
49 | 0***6 | Spring washer | |
50 | 0***2 | Hexagon bolt | |
51 | 5***9 | Brush | |
52 | 0***5 | Plug |
Содержащиеся в справочниках-каталогах запасные части и детали не предлагаются к продаже, а носят исключительно информационный характер. В демо-версии артикулы (номера деталей) скрыты. Если вы хотите видеть полные оригинальные номера запчастей, вам необходимо зарегистрироваться на нашем сайте и приобрести подписку по интересующей вас конфигурации, после этого вы сможете встроить онлайн-каталоги на ваш сайт или пользоваться ими из личного кабинета нашего сайта. Обращаем ваше внимание на то, что каталоги содержат информацию об оригинальных заводских номерах и названиях запчастей. База по аналогам в данный момент не реализована. Поиска по VIN-номерам в онлайн-каталоге не предусмотрено. Выбор конкретного каталога осуществляется путем открытия нужного типа техники, марки, модели с учетом года выпуска или модификации.