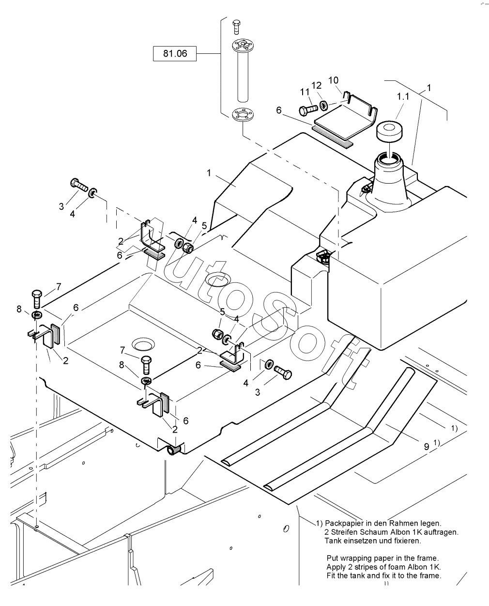
Каталог запасных частей к технике: BOMAG BW216D-40 (2007). Fuel Tank

1
1
2
2
2
2
3
3
4
4
4
4
5
5
6
6
6
6
6
7
7
8
8
9
10
11
12
Позиция на иллюстрации | Заводской номер детали | Название детали | |
---|---|---|---|
1 | 0***9 | Fuel tank | |
2 | 5***0 | Angle | |
3 | 0***9 | Hexagon bolt | |
4 | 0***6 | Spring washer | |
5 | 0***6 | Safety nut | |
6 | 0***3 | Expanded rubber | |
7 | 0***0 | Hexagon bolt | |
8 | 0***6 | Spring washer | |
9 | 0***1 | Foam | |
10 | 5***3 | Angle | |
11 | 0***7 | Hexagon bolt | |
12 | 0***6 | Spring washer |
Содержащиеся в справочниках-каталогах запасные части и детали не предлагаются к продаже, а носят исключительно информационный характер. В демо-версии артикулы (номера деталей) скрыты. Если вы хотите видеть полные оригинальные номера запчастей, вам необходимо зарегистрироваться на нашем сайте и приобрести подписку по интересующей вас конфигурации, после этого вы сможете встроить онлайн-каталоги на ваш сайт или пользоваться ими из личного кабинета нашего сайта. Обращаем ваше внимание на то, что каталоги содержат информацию об оригинальных заводских номерах и названиях запчастей. База по аналогам в данный момент не реализована. Поиска по VIN-номерам в онлайн-каталоге не предусмотрено. Выбор конкретного каталога осуществляется путем открытия нужного типа техники, марки, модели с учетом года выпуска или модификации.