Каталог запасных частей к технике: BOMAG BW216D-40 (2007). Hydraulics

33
33
33
33
23
24
24
25
25
26
27
27
28
29
30
31
31
32
32
32
32
22
34
34
35
35
36
37
38
39
40
40
41
42
43
12
2
2
3
3
3
4
4
5
5
6
6
6
6
7
7
8
9
10
10
11
11
1
13
13
14
15
16
16
17
17
18
18
19
19
20
20
20
20
21
21
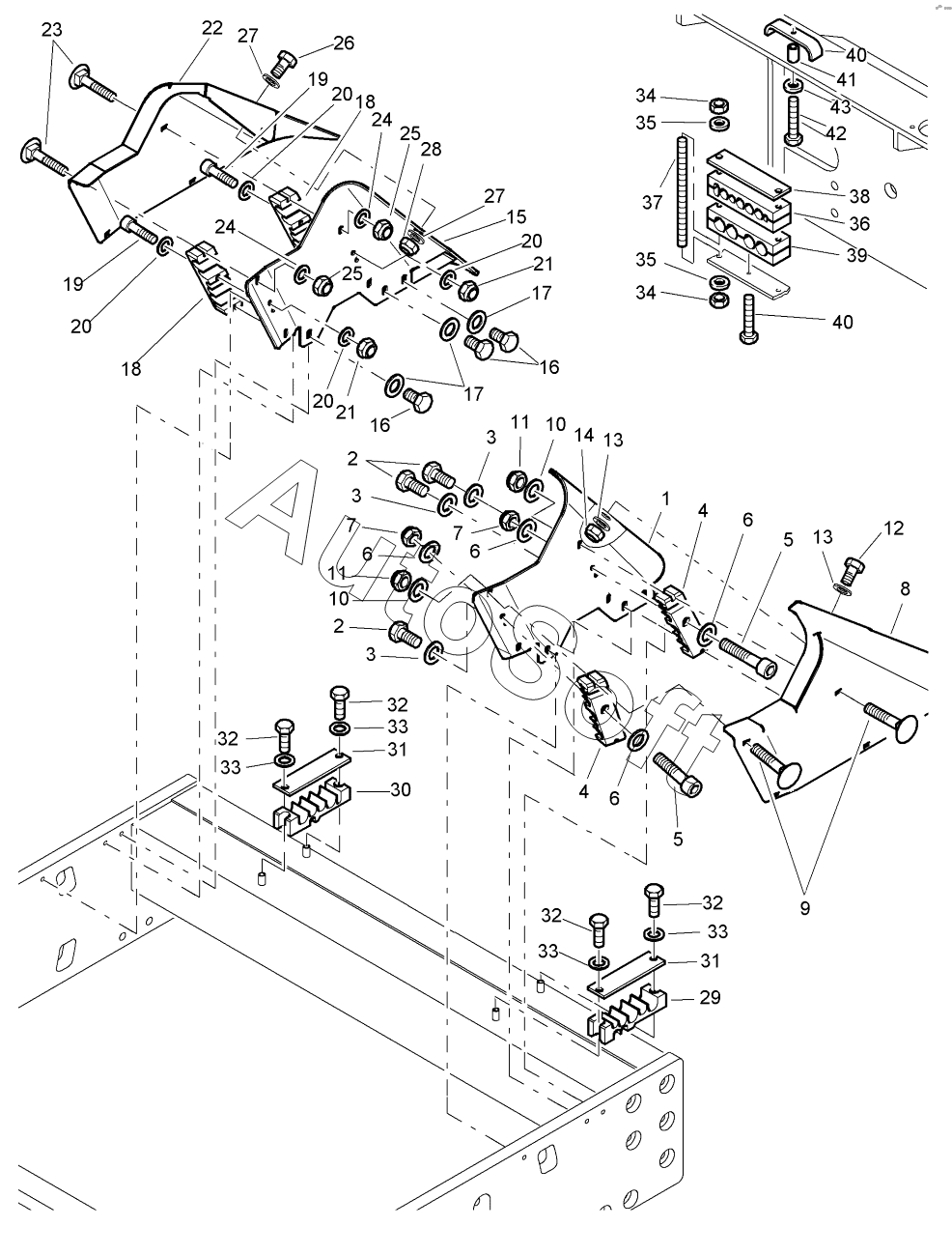
Позиция на иллюстрации | Заводской номер детали | Название детали | |
---|---|---|---|
1 | 5***9 | Hose support | |
2 | 0***4 | Hexagon bolt | |
3 | 0***4 | Washer | |
4 | 5***5 | Pillow block | |
5 | 0***8 | Socket-head cap screw | |
6 | 0***7 | Washer | |
7 | 0***3 | Safety nut | |
8 | 5***0 | Cover plate | |
9 | 0***7 | Flat head screw | |
10 | 0***0 | Washer | |
11 | 0***3 | Safety nut | |
12 | 0***7 | Hexagon bolt | |
13 | 0***1 | Washer | |
14 | 0***6 | Hexagon nut | |
15 | 5***2 | Hose support | |
16 | 0***4 | Hexagon bolt | |
17 | 0***4 | Washer | |
18 | 5***6 | Pillow block | |
19 | 0***8 | Socket-head cap screw | |
20 | 0***7 | Washer | |
21 | 0***3 | Safety nut | |
22 | 5***1 | Cover plate | |
23 | 0***7 | Flat head screw | |
24 | 0***0 | Washer | |
25 | 0***3 | Safety nut | |
26 | 0***7 | Hexagon bolt | |
27 | 0***1 | Washer | |
28 | 0***6 | Hexagon nut | |
29 | 5***7 | Pillow block | |
30 | 5***8 | Pillow block | |
31 | 5***5 | Flat steel | |
32 | 0***3 | Hexagon bolt | |
33 | 0***4 | Washer | |
34 | 0***3 | Hexagon nut | |
35 | 0***7 | Washer | |
36 | 5***3 | Pillow block | |
37 | 5***2 | Threaded bolt | |
38 | 5***5 | Flat steel | |
39 | 5***7 | Pillow block | |
40 | 5***2 | Flat steel | |
41 | 6***5 | Tube | |
42 | 0***6 | Hexagon bolt | |
43 | 0***7 | Washer |
Содержащиеся в справочниках-каталогах запасные части и детали не предлагаются к продаже, а носят исключительно информационный характер. В демо-версии артикулы (номера деталей) скрыты. Если вы хотите видеть полные оригинальные номера запчастей, вам необходимо зарегистрироваться на нашем сайте и приобрести подписку по интересующей вас конфигурации, после этого вы сможете встроить онлайн-каталоги на ваш сайт или пользоваться ими из личного кабинета нашего сайта. Обращаем ваше внимание на то, что каталоги содержат информацию об оригинальных заводских номерах и названиях запчастей. База по аналогам в данный момент не реализована. Поиска по VIN-номерам в онлайн-каталоге не предусмотрено. Выбор конкретного каталога осуществляется путем открытия нужного типа техники, марки, модели с учетом года выпуска или модификации.