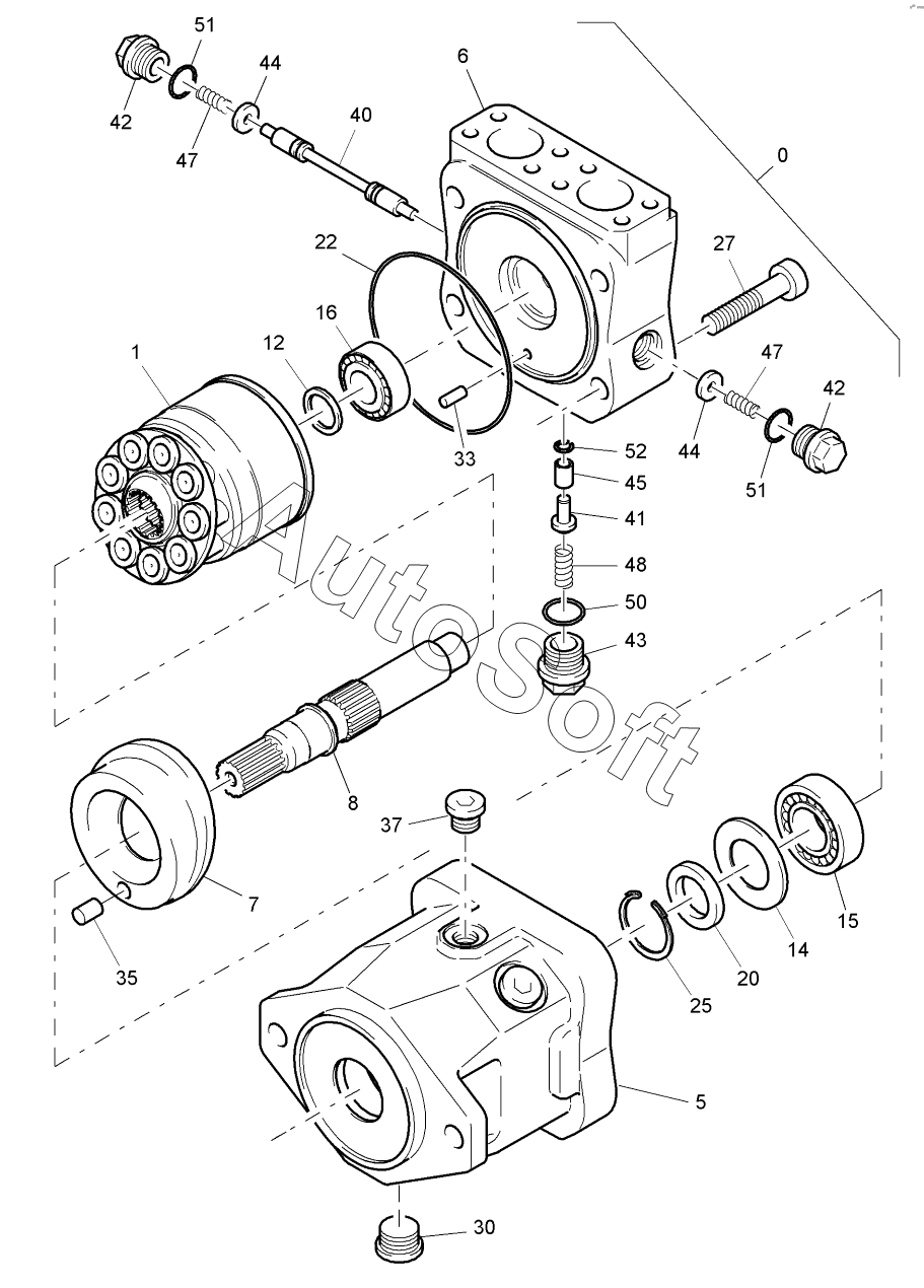
Каталог запасных частей к технике: BOMAG BW216D-40 (2007). Hydr.Motor,Vibration

30
52
51
51
50
48
47
47
45
44
44
43
42
42
41
40
37
35
33
05802369
27
25
22
20
16
15
14
12
8
7
6
5
1
Позиция на иллюстрации | Заводской номер детали | Название детали | |
---|---|---|---|
05802369 | 0***9 | Vibration motor | |
1 | 0***1 | Rotor group | |
5 | 0***2 | Housing | |
6 | 0***3 | Connecting plate | |
7 | 0***4 | Swashplate | |
8 | 0***5 | Drive shaft | |
12 | 0***6 | Adjusting disk | |
14 | 0***7 | Stop ring | |
15 | 0***8 | Taper roller bearing | |
16 | 0***9 | Taper roller bearing | |
20 | 0***0 | Radial seal | |
22 | 0***1 | Loop ring | |
25 | 0***2 | V-ring | |
27 | 0***3 | Socket-head cap screw | |
30 | 0***4 | Screw plug | |
33 | 0***5 | Pin,cylindric | |
35 | 0***6 | Pin,cylindric | |
37 | 0***7 | Screw plug | |
40 | 0***8 | Flushing piston | |
41 | 0***9 | Valve spool | |
42 | 0***0 | Screw plug | |
43 | 0***1 | Screw plug | |
44 | 0***2 | Washer | |
45 | 0***3 | Orifice | |
47 | 0***4 | Pressure spring | |
48 | 0***5 | Pressure spring | |
50 | 0***6 | Loop ring | |
51 | 0***7 | Loop ring | |
52 | 0***8 | Circlip |
Содержащиеся в справочниках-каталогах запасные части и детали не предлагаются к продаже, а носят исключительно информационный характер. В демо-версии артикулы (номера деталей) скрыты. Если вы хотите видеть полные оригинальные номера запчастей, вам необходимо зарегистрироваться на нашем сайте и приобрести подписку по интересующей вас конфигурации, после этого вы сможете встроить онлайн-каталоги на ваш сайт или пользоваться ими из личного кабинета нашего сайта. Обращаем ваше внимание на то, что каталоги содержат информацию об оригинальных заводских номерах и названиях запчастей. База по аналогам в данный момент не реализована. Поиска по VIN-номерам в онлайн-каталоге не предусмотрено. Выбор конкретного каталога осуществляется путем открытия нужного типа техники, марки, модели с учетом года выпуска или модификации.