Каталог запасных частей к технике: BOMAG BW216D-40 (2007). AZ9-Speedometer

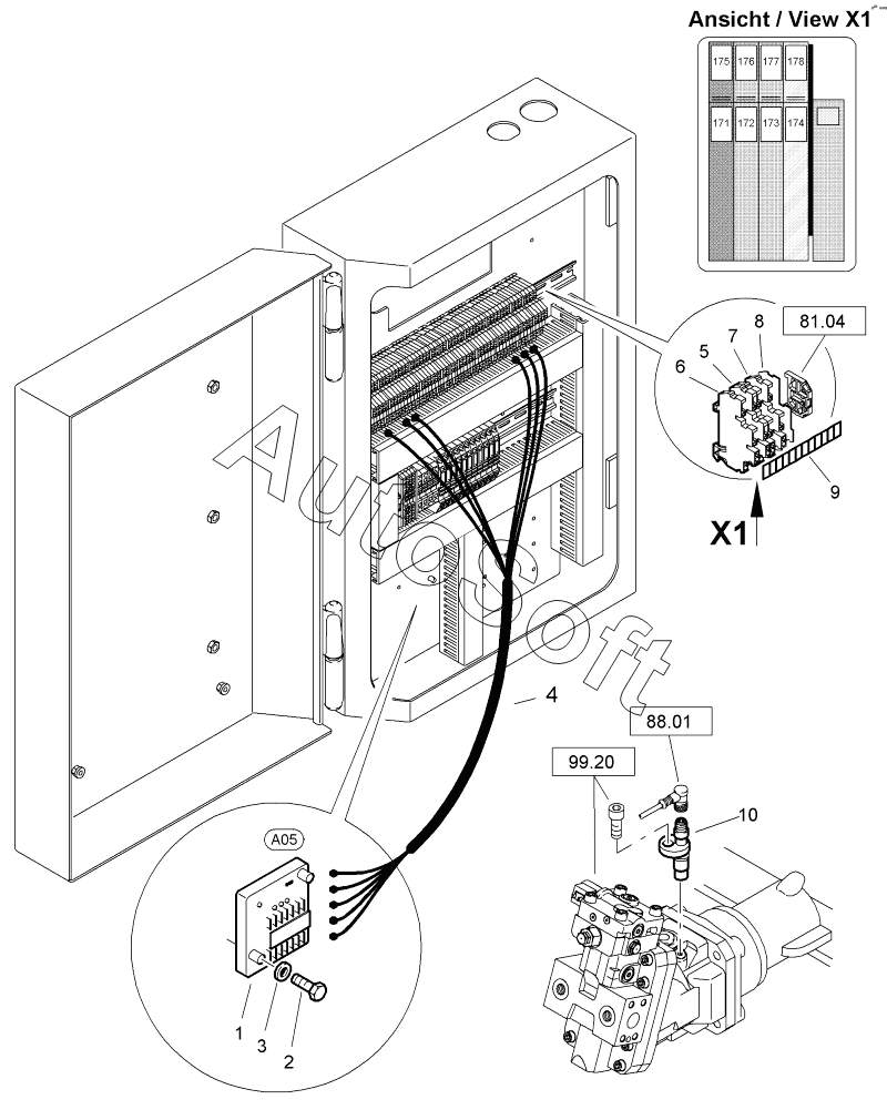
1
2
3
4
5
6
7
8
9
10
Позиция на иллюстрации | Заводской номер детали | Название детали | |
---|---|---|---|
1 | 5***7 | Module | |
2 | 0***6 | Capscrew, hex head | |
3 | 0***3 | Spring washer | |
4 | 5***8 | Wiring | |
5 | 0***0 | Terminal | |
6 | 0***8 | Terminal | |
7 | 0***9 | Terminal | |
8 | 0***7 | End plate | |
9 | 0***9 | Sequence of numbers | |
10 | 0***2 | Rpm sending unit |
Содержащиеся в справочниках-каталогах запасные части и детали не предлагаются к продаже, а носят исключительно информационный характер. В демо-версии артикулы (номера деталей) скрыты. Если вы хотите видеть полные оригинальные номера запчастей, вам необходимо зарегистрироваться на нашем сайте и приобрести подписку по интересующей вас конфигурации, после этого вы сможете встроить онлайн-каталоги на ваш сайт или пользоваться ими из личного кабинета нашего сайта. Обращаем ваше внимание на то, что каталоги содержат информацию об оригинальных заводских номерах и названиях запчастей. База по аналогам в данный момент не реализована. Поиска по VIN-номерам в онлайн-каталоге не предусмотрено. Выбор конкретного каталога осуществляется путем открытия нужного типа техники, марки, модели с учетом года выпуска или модификации.