Каталог запасных частей к технике: BOMAG BW219DH-4 (2014). Hydraulic Pump

1
2
3
4
5
6
7
10
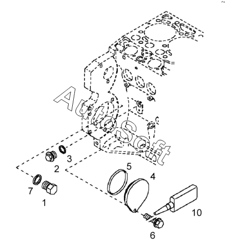
Позиция на иллюстрации | Заводской номер детали | Название детали | |
---|---|---|---|
1 | 0***2 | Screw plug | |
2 | 0***5 | Screw plug | |
3 | 0***8 | Sealing ring | |
4 | 0***5 | Cover | |
5 | 0***6 | Loop ring | |
6 | 0***3 | Hexagon bolt | |
7 | 0***8 | Sealing ring | |
10 | 0***3 | Locking aid |
Содержащиеся в справочниках-каталогах запасные части и детали не предлагаются к продаже, а носят исключительно информационный характер. В демо-версии артикулы (номера деталей) скрыты. Если вы хотите видеть полные оригинальные номера запчастей, вам необходимо зарегистрироваться на нашем сайте и приобрести подписку по интересующей вас конфигурации, после этого вы сможете встроить онлайн-каталоги на ваш сайт или пользоваться ими из личного кабинета нашего сайта. Обращаем ваше внимание на то, что каталоги содержат информацию об оригинальных заводских номерах и названиях запчастей. База по аналогам в данный момент не реализована. Поиска по VIN-номерам в онлайн-каталоге не предусмотрено. Выбор конкретного каталога осуществляется путем открытия нужного типа техники, марки, модели с учетом года выпуска или модификации.