Каталог запасных частей к технике: BOMAG BW219DH-4 (2014). Engine S/N 101582701002 - S/N 101582701036

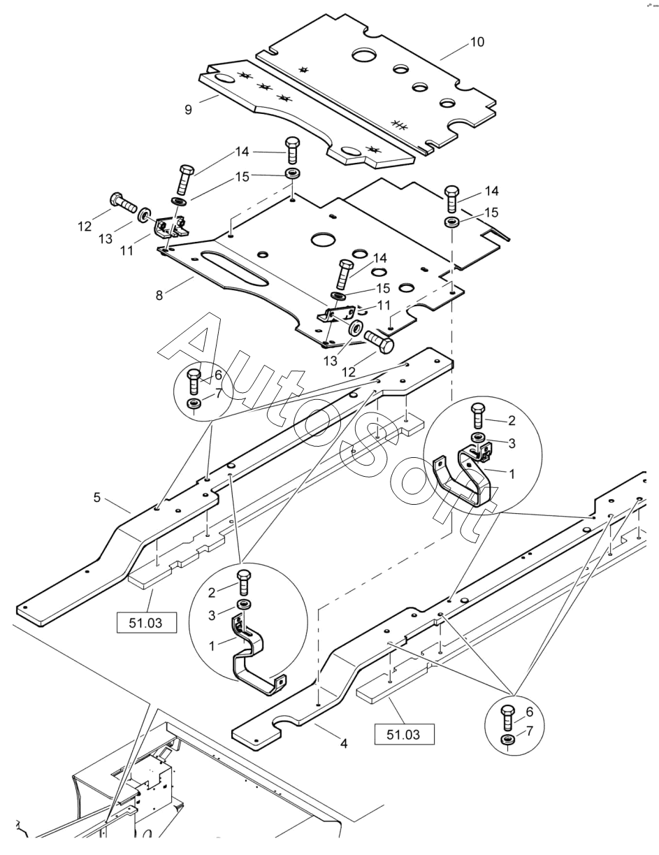
1
1
2
2
3
3
4
5
6
6
7
7
8
9
10
11
11
12
12
13
13
14
14
14
15
15
15
Позиция на иллюстрации | Заводской номер детали | Название детали | |
---|---|---|---|
1 | 5***5 | Hose support | |
2 | 0***7 | Socket-head cap screw | |
3 | 0***0 | Spring washer | |
4 | 5***5 | Engine bracket | |
5 | 5***6 | Engine bracket | |
6 | 0***2 | Hexagon bolt | |
7 | 0***0 | Spring washer | |
8 | 5***6 | Floor plate | |
9 | 5***6 | Insulating mat | |
10 | 5***7 | Insulating mat | |
11 | 5***3 | Angle | |
12 | 0***8 | Hexagon bolt | |
13 | 0***5 | Washer | |
14 | 0***0 | Spring washer | |
15 | 0***4 | Hexagon bolt |
Содержащиеся в справочниках-каталогах запасные части и детали не предлагаются к продаже, а носят исключительно информационный характер. В демо-версии артикулы (номера деталей) скрыты. Если вы хотите видеть полные оригинальные номера запчастей, вам необходимо зарегистрироваться на нашем сайте и приобрести подписку по интересующей вас конфигурации, после этого вы сможете встроить онлайн-каталоги на ваш сайт или пользоваться ими из личного кабинета нашего сайта. Обращаем ваше внимание на то, что каталоги содержат информацию об оригинальных заводских номерах и названиях запчастей. База по аналогам в данный момент не реализована. Поиска по VIN-номерам в онлайн-каталоге не предусмотрено. Выбор конкретного каталога осуществляется путем открытия нужного типа техники, марки, модели с учетом года выпуска или модификации.