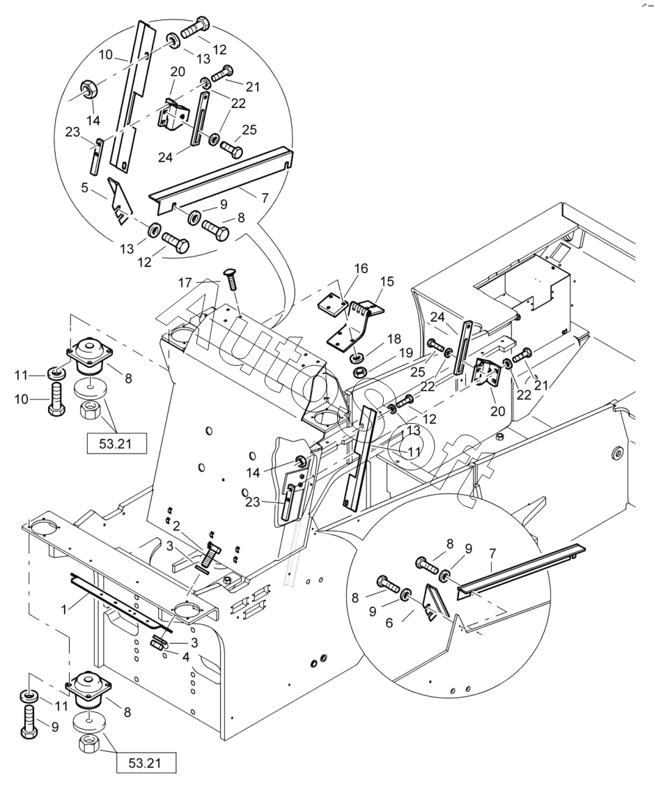
Каталог запасных частей к технике: BOMAG BW219DH-4 (2014). Rear Frame

15
25
25
24
24
23
23
22
22
22
21
21
20
20
19
18
17
16
1
14
14
13
13
13
12
12
12
11
11
11
10
10
9
9
9
9
8
8
8
8
8
7
7
6
5
4
3
3
2
Позиция на иллюстрации | Заводской номер детали | Название детали | |
---|---|---|---|
1 | 5***0 | Plate | |
2 | 0***2 | Hexagon bolt | |
3 | 0***4 | Spring washer | |
4 | 0***3 | Hexagon nut | |
5 | 5***1 | Brush | |
6 | 5***2 | Brush | |
7 | 5***3 | Brush | |
8 | 0***4 | Hexagon bolt | |
9 | 0***4 | Spring washer | |
10 | 5***4 | Brush | |
11 | 5***5 | Brush | |
12 | 0***4 | Hexagon bolt | |
13 | 0***4 | Spring washer | |
14 | 0***3 | Hexagon nut | |
15 | 5***6 | Hinge | |
16 | 5***3 | Flat steel | |
17 | 0***0 | Flat head screw | |
18 | 0***6 | Spring washer | |
19 | 0***6 | Hexagon nut | |
20 | 5***1 | Holder | |
21 | 0***1 | Hexagon bolt | |
22 | 0***6 | Spring washer | |
23 | 5***4 | Tapped ridge | |
24 | 5***5 | Flat steel | |
25 | 0***8 | Hexagon bolt | |
26 | 0***8 | Rubber buffer | |
27 | 0***0 | Hexagon bolt | |
28 | 0***6 | Spring washer |
Содержащиеся в справочниках-каталогах запасные части и детали не предлагаются к продаже, а носят исключительно информационный характер. В демо-версии артикулы (номера деталей) скрыты. Если вы хотите видеть полные оригинальные номера запчастей, вам необходимо зарегистрироваться на нашем сайте и приобрести подписку по интересующей вас конфигурации, после этого вы сможете встроить онлайн-каталоги на ваш сайт или пользоваться ими из личного кабинета нашего сайта. Обращаем ваше внимание на то, что каталоги содержат информацию об оригинальных заводских номерах и названиях запчастей. База по аналогам в данный момент не реализована. Поиска по VIN-номерам в онлайн-каталоге не предусмотрено. Выбор конкретного каталога осуществляется путем открытия нужного типа техники, марки, модели с учетом года выпуска или модификации.