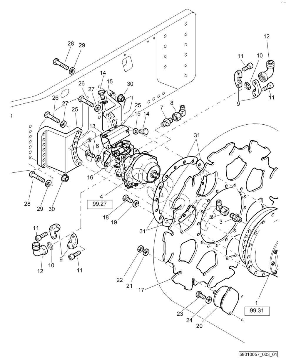
Каталог запасных частей к технике: BOMAG BW219DH-4 (2014). Roller drum + Drum Drive

16
31
31
30
30
29
29
28
28
27
27
26
26
25
25
24
23
22
21
20
19
18
17
1
15
15
14
14
13
12
12
11
11
11
11
10
10
9
9
8
7
6
5
4
3
2
Позиция на иллюстрации | Заводской номер детали | Название детали | |
---|---|---|---|
1 | 0***2 | Transmission | |
2 | 0***4 | Socket | |
3 | 0***1 | Socket | |
4 | 0***1 | Travel motor | |
5 | 0***2 | Hexagon bolt | |
6 | 0***6 | Washer | |
7 | 0***2 | Socket | |
8 | 0***6 | Angular union | |
9 | 0***4 | Half, flange, SAE | |
10 | 0***0 | Loop ring | |
11 | 0***7 | Socket-head cap screw | |
12 | 0***5 | Union, flanged, SAE | |
13 | 5***2 | Guard | |
14 | 0***8 | Hexagon bolt | |
15 | 0***3 | Washer | |
16 | 5***3 | Guard | |
17 | 5***3 | Drive disc | |
18 | 0***0 | Hexagon bolt | |
19 | 0***0 | Spring washer | |
20 | 0***2 | Rubber buffer | |
21 | 0***0 | Spring washer | |
22 | 0***6 | Hexagon nut | |
23 | 0***3 | Hexagon bolt | |
24 | 0***4 | Washer | |
25 | 5***1 | Transmission support | |
26 | 0***0 | Hexagon bolt | |
27 | 0***6 | Washer | |
28 | 0***3 | Hexagon bolt | |
29 | 0***0 | Spring washer | |
30 | 0***1 | Hexagon nut | |
31 | 5***0 | Plate |
Содержащиеся в справочниках-каталогах запасные части и детали не предлагаются к продаже, а носят исключительно информационный характер. В демо-версии артикулы (номера деталей) скрыты. Если вы хотите видеть полные оригинальные номера запчастей, вам необходимо зарегистрироваться на нашем сайте и приобрести подписку по интересующей вас конфигурации, после этого вы сможете встроить онлайн-каталоги на ваш сайт или пользоваться ими из личного кабинета нашего сайта. Обращаем ваше внимание на то, что каталоги содержат информацию об оригинальных заводских номерах и названиях запчастей. База по аналогам в данный момент не реализована. Поиска по VIN-номерам в онлайн-каталоге не предусмотрено. Выбор конкретного каталога осуществляется путем открытия нужного типа техники, марки, модели с учетом года выпуска или модификации.