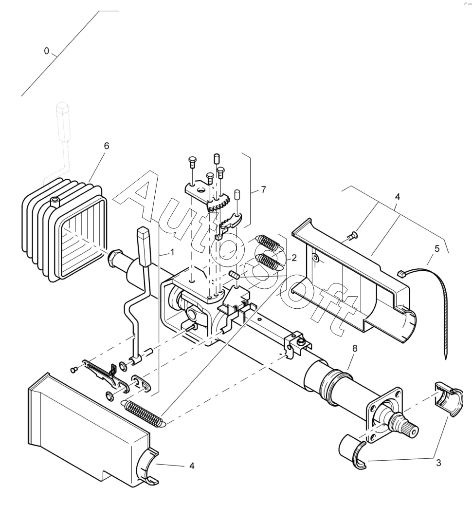
Каталог запасных частей к технике: BOMAG BW219DH-4 (2014). Steering Column,Adjustabl

05902278
1
2
3
4
4
5
6
7
8
Позиция на иллюстрации | Заводской номер детали | Название детали | |
---|---|---|---|
05902278 | 0***8 | Steering column | |
1 | 0***8 | Lever | |
2 | 0***9 | Kit, springs | |
3 | 0***0 | Axial bearing | |
4 | 0***3 | Cover | |
5 | 0***5 | Wiring strap | |
6 | 0***4 | Rubber bellow | |
7 | 0***6 | Fastening kit | |
8 | 0***7 | Telescop bearing |
Содержащиеся в справочниках-каталогах запасные части и детали не предлагаются к продаже, а носят исключительно информационный характер. В демо-версии артикулы (номера деталей) скрыты. Если вы хотите видеть полные оригинальные номера запчастей, вам необходимо зарегистрироваться на нашем сайте и приобрести подписку по интересующей вас конфигурации, после этого вы сможете встроить онлайн-каталоги на ваш сайт или пользоваться ими из личного кабинета нашего сайта. Обращаем ваше внимание на то, что каталоги содержат информацию об оригинальных заводских номерах и названиях запчастей. База по аналогам в данный момент не реализована. Поиска по VIN-номерам в онлайн-каталоге не предусмотрено. Выбор конкретного каталога осуществляется путем открытия нужного типа техники, марки, модели с учетом года выпуска или модификации.