Каталог запасных частей к технике: BOMAG BW219DH-4 (2014). S2-ROPS
1
2
3
3
4
4
5
5
6
7
8
9
10
10
11
12
13
13.1
14
15
16
17
18
18
19
21
21.1
22
23
24
25
26
27
28
29
30
31
32
33
34
35
36
37
38
39
40
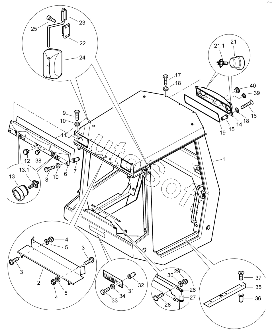
| Позиция на иллюстрации | Заводской номер детали | Название детали | |
|---|---|---|---|
| 1 | 5***4 | ROPS-frame | |
| 10 | 3***6 | Washer | |
| 11 | 0***0 | Sponge rubber section | |
| 12 | 0***4 | Plug | |
| 13 | 0***5 | Working headlights | |
| 13.1 | 0***9 | Incandescent bulb | |
| 14 | 5***9 | Lamp console | |
| 15 | 0***0 | Nut,blind | |
| 16 | 0***0 | Countersunk screw | |
| 17 | 0***2 | Countersunk screw | |
| 18 | 3***6 | Washer | |
| 19 | 0***0 | Sponge rubber section | |
| 2 | 5***5 | Covering plate | |
| 21 | 0***5 | Working headlights | |
| 21.1 | 0***9 | Incandescent bulb | |
| 22 | 0***8 | Base plate | |
| 23 | 0***7 | Mirror bar | |
| 24 | 0***2 | Outer mirror | |
| 25 | 0***6 | Socket-head cap screw | |
| 26 | 5***4 | Holder | |
| 27 | 0***9 | Nut, blind | |
| 28 | 0***1 | Flat head screw | |
| 29 | 0***1 | Safety nut | |
| 3 | 0***6 | Lens head screw | |
| 30 | 0***2 | Washer | |
| 31 | 5***6 | Cover | |
| 32 | 0***0 | Nut,blind | |
| 33 | 0***6 | Hexagon bolt | |
| 34 | 0***4 | Spring washer | |
| 35 | 5***0 | Step | |
| 36 | 0***1 | Nut,blind | |
| 37 | 0***2 | Countersunk screw | |
| 38 | 0***0 | Plug | |
| 39 | 0***0 | Plug | |
| 4 | 0***3 | Safety nut | |
| 40 | 0***3 | Plug | |
| 5 | 0***7 | Washer | |
| 6 | 5***8 | Lamp console | |
| 7 | 0***0 | Nut,blind | |
| 8 | 0***0 | Countersunk screw | |
| 9 | 0***2 | Countersunk screw |
Содержащиеся в справочниках-каталогах запасные части и детали не предлагаются к продаже, а носят исключительно информационный характер. В демо-версии артикулы (номера деталей) скрыты. Если вы хотите видеть полные оригинальные номера запчастей, вам необходимо зарегистрироваться на нашем сайте и приобрести подписку по интересующей вас конфигурации, после этого вы сможете встроить онлайн-каталоги на ваш сайт или пользоваться ими из личного кабинета нашего сайта. Обращаем ваше внимание на то, что каталоги содержат информацию об оригинальных заводских номерах и названиях запчастей. База по аналогам в данный момент не реализована. Поиска по VIN-номерам в онлайн-каталоге не предусмотрено. Выбор конкретного каталога осуществляется путем открытия нужного типа техники, марки, модели с учетом года выпуска или модификации.